申星XE78工业洗衣机采用三相电机驱动,在宾馆、医院等部门使用较为广泛。其电路由动力电路和控制电路两部分组成,详见附图。动力主电路由380V电源供电。控制电路由220V电源或380V电源供电。保护地线(PE)一定要与洗衣机金属外壳上保护接地端子连接。 

一、工作原理 

    1.点动工作(调整内外桶位置) 
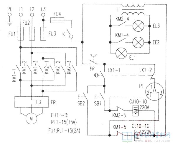
    洗衣机使用中,有时候内桶取放衣物口与外桶门盖未对齐,无法取放衣物。使用点动工作方式就可对内外桶取衣口位置进行调整,使二者对齐。由于此时外桶取衣口在开启位置,正好压通安全开关,使安全开关常开接点LX1-1闭合。闭合电源开关K接通电源,按下点动按钮SB1(正转)或SB2(反转)后,220V市电经交流接触器KM2—5常闭接点或KM1-5常闭接点至交流接触器KM1或KM2的线圈。KM1或KM2受电吸合其三对主接点KM1—1、KM1—2、KM1—3或KM2-1、KM2—2、KM2—3接通电动机M受电启动运行,内桶移位。点动工作无论选择正转还是反转,由于此时外桶盖未盖上,操作人员一定要注意安全,严禁将手伸入桶内。注意观察内桶位置,调整到位及时松开点动按钮SB1或SB2。 

    2.连续工作(洗涤) 

    将被洗衣物用品和洗涤剂放入内桶并加入洗涤用水后,关闭外桶盖门。选择确定洗涤时间后,旋转定时器TP旋钮至设定时间位置,此时定时器PT内有一对接点接通。闭合控制电源开关K接通电源,220V市电经熔断器FU4、开关K、热继电器FR的常闭接点、LX1—2常至定时器接点。定时器内有两对常开接点,在内部机械或电路的控制下轮流间断接通,分别实现对电机正、反转控制。当定时器内正转接点接通时,电源经反转交流接触器KM2的常闭辅助接点KM2—5至正转交流接触器KM1的线圈,KM1线圈受电吸合,其三对主接点KM1—1、KM1—2、KM1-3接通,三相主电源经主接点加至电动机,电动机受电启动运转对桶内物品洗涤。正转洗涤一定时间后,定时器内正转接点先断开,使KM1失电,随后定时器内另一对常闭接点接通,电源经KM1的常闭辅助接点KM1-5至KM2的线圈。KM2受电吸合,其三对主接点KM2-1、KM2—2、KM2—3接通,换相后的三相主电源经主接点加至电动机,电动机启动反转对通内物品洗涤。如此反复直到定时洗涤结束。 
    正、反转交流接触器KM1、KM2的作用之一是通过三对主接点为电动机M提供380V电源,另一作用是通入其中任两对主接点对三相电源进行换相,以实现电动机的转向切换。 
    热继电器的作用:当电动机过载工作时会因工作电流增大而发热动作,其常闭接点FR断开,切断控制电源,交流接触器失电保护电机。 

    安全开关的作用:当外桶门盖关好后,安全开关LX的常例接点LX1-2闭合后,控制电源方可经LX1—2加至电机摔制吲路中。EL1为电源指示灯;EL2为正转指示灯;EL3为反转指示灯。


二、故障检修 
    1.洗衣机不启动,有继电器动作声。 
    首先测三相电源相间电压均为380V,正常;因为之前洗衣机正、反转均正常,所以电源相序无问题。断电后测KM1和KM2的三对工作触点两端,导通均正常,而测FR触点导通不良。用JR16B-2Q/311A型热继电器更换后,启动工作正常。 
    2.洗衣机不启动,也无继电器动作声。 
    测二相电源相间电压正常,无继电器动作声,故障存控制部分。断电后合上外桶门盖后测安全开关不导通,已损坏。新购一只KXK-411型开关换上,故障排除。