最先怀疑电池电压不够,但更换电池后故障依旧。从现象看,有脉冲电火花,说明高压及振荡电路正常,故障应在电磁阀或其驱动电路上。可能原因有:启动线圈或保持线圈局部短路、电磁阀磁钢磁强度减弱、阀芯有卡滞现象、驱动电路不良导致的启动线圈或保持线圈电流过小、启动线圈加电时间过短或启动线圈和保持线圈加电压的时间不一致等。
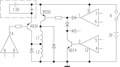
  该机未配图纸,打开电控盒发现电路板上所有元件均无标号(无丝印),控制集成电路与大多数燃气热水器一样为四比较器LM339,实测电路见附图。为了判断故障到底是在电磁阀还是在驱动电路上,采用外接3V电压同时向启动线圈和保持线圈单独加电,加电多次电磁阀也只能偶尔吸合一次,说明故障应在电磁阀上。检测启动线圈阻值为6.2Ω,基本在正常范围内,但保持线圈阻值为245Ω,其值与一般的500Ω左右相差甚远。对此,若采用一般的维修方法则要新换电磁阀或重绕线圈,但此法很麻烦且成本高。考虑到电磁阀一旦吸合后都能正常工作,说明保持线圈还可使用,加之又无资料可查,此电磁阀阻值为245Ω是否正常还不能准确判断。于是采用在启动线圈上提升启动电压的方法,维修取得成功。将驱动管A934的e极从原3V供电处断开(图虚线框中打×处),另焊两根电线接到一节1号电池两端,将电池放置于热水器右下部的空余空间。由于外加的电池只在热水器启动瞬间工作,使用时间会很长,此机经如此维修后已使用近两年,一切正常,保持线圈阻值仍没有变化。要注意的是,采用此法维修的热水器,启动线圈驱动管的额定电流及耐压值应有足够余量,以免因其击穿而可能造成燃气外泄