• 洗衣机因使用不当引起的故障检修

    [例1]故障现象:一台威力牌双桶洗衣机,脱水桶工作时与外壳的碰撞声很大  检修:因为空桶时也有很大响声,逐检查脱水电机的三个减震弹簧.脱水桶的固定螺丝:良好,无偏心现象.取出脱水桶发现有一丝袜!有很多洗衣机都是桶内有杂务造成的![例二]故障现象:高宝KW...

       2006-08-11

  • PTC暖风机工作原理与维修

      九十年代中期,采用PTC陶瓷发热体的暖风机,以其优异的自调温和节能特性、极低的热惯性及无明火、无辐射等优点,迅速形成厅堂、浴室、台壁多用和空调挂壁型等系列品种。本文以格力牌QG20B遥控型 PTC暖风机为例,简述其工作原理和维修。  一、PTC发热元...

       2006-08-11

  • 陶瓷钢电暖器的原理、选购及其使用

      新世纪的第一个隆冬,电暖器市场谁主沉浮?陶瓷钢电暖器极有可能成为市场新宠。它的核心部件是联合陶瓷钢电热片。  一、联合陶瓷钢厚膜电路发热片  其基板是将高级、轻薄的钢片拉伸展平,在双面涂敷一层珐琅,再在840℃高温下,将其永久熔凝在钢片表面,冷却后再...

       2006-08-11

  • 洗衣机检修两例

     [例1]一台三星牌洗衣机,不能进行洗涤而只能脱水。  接通电源并设置为程序控制进入洗衣状态后,发现进水电磁阀仍处于开启状态,测电脑控制板没有向电磁阀输出控制电压。经检查,是水位控制器没有输出信号给电脑板,导致电脑板没有发出洗衣指令。试用一只新水位控制...

       2006-08-11

  • 南极星全自动电饭锅原理与维修

      南极星CFXB40-B70T型豪华全自动电饭锅,采用微电脑控制,具有煮饭、快速煮饭、煮粥、炖汤等多种功能,控温精度高。笔者参照实物绘出其电原理图如图1、图2所示。  一、电路组成  该锅电路主要由电源电路、控制电路和发热盘组成。  电源电路。由温度保...

       2006-08-11

  • 凯旋牌全自动燃气热水器的维护

    浙江产凯旋牌电脑控制全自动热水器,采用水控脉冲点火,只需打开热水龙头,热水便随之流出;燃气量、出水量及水温控制无级调节。此外还具有意外熄火自动关机;20分钟自动关机;双腔放水防冻保护;自动通风联动保护;过热...

       2006-08-11

  • 全线路自动控温电热毯工作原理

    全线路自动控温电热毯是一种安全性很高的床上取暖器具,本文简述其工作原理。结构特点全线路控温电热毯采用了全线路(...

       2006-08-11

  • 小鸭XQG50-4B型滚筒洗衣机检修两例

    〔例1〕故障现象:不进水。检修:1.首先检查进水阀阀口过滤网,无封堵现象。2.在进水状态下测进水阀两接线端电压为220V,由此判断故障出在进水阀。3.拆下进水...

       2006-08-11

  • 名钻牌电热水瓶原理与检修

    名钻牌700W电热水瓶具有自动加热、保温和气压、电泵两种出水方式及防干烧等特点。本文介绍该电热水瓶的电路原理及常见故障的检修方法。一、电路原理&n...

       2006-08-11

  • 飞跃微波炉加热缓慢一例

    故障现象:加热速度缓慢。分析检修:查功率分配器已置于大功率挡,如在低火挡则加热更慢。由于风机、转盘电机运转正常,说明电源控制系统及变压器正常;测得高压二极管正...

       2006-08-11

  • 太阳能热水器控制器

      太阳能是目前最为“干净”的能源之一。随着消费者环保和绿色意识的提高,太阳能热水器已经开始走进千家万户。这里介绍一种低成本、高性能、全自动的太阳能热水器控制器。它用数字方式显示水温、水位;全自动水位控制,水位低于规定值报警并自动上水,上水到规定水位时自...

       2006-08-11

  • 一种价廉的数字式温度计

      本设计以SONIX公司的SN8P1602为主控芯片,硬件电路包括一个简单的热敏电阻Rt、一个参考电阻Rs由一个固定值电阻与一个电位器R2组成和一个参考电容C1以及3位LED显示码,这些元件都直接连到单片机上。  该电路(如图所示)测量时先将电容C...

       2006-08-11

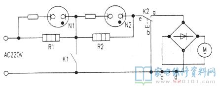
  • 电热水瓶不出水的应急修理

    深圳产海马牌SHEA-4300型电热水瓶,实绘电路图见附图。图中R1为加热发热器;R2与R1串联共同构成保温加热体,N1、N2为相应的加热、保温指示灯,K1为加热温控开关;K2为保温兼出水控制开关,b为常闭触点,M为出水...

    曹宪文   2006-08-11

  • 康宝牌SDX- 61B型消毒柜电路及维修

    1.电路  220V市电相线L经温度保险RD加于电源按钮TQ,按下QA,市电经双金属式温度控制器WR常闭触点加至继电器J线圈上,继电器J吸合,其常开触点J1闭合,自保持为继电器线圈供电。同时触点J2闭合为电...

       2006-08-11

  • 科凌ZTP-63A型双功能消毒柜原理与维修

    科凌ZTP-63A双功能食具消毒柜为双门双室结构,具有消毒彻底、无污染、安全可靠和使用方便等优点,现介绍该消毒柜工作原理及常见故障的维修方法,供维修参考。  工作原理  测绘该消毒柜电路图如附图所示,全电路...

       2006-08-11

  • 安吉尔饮水机不制热的检修方法

    一台安吉尔牌YLR0.7-5-16TD冷/热型饮水机发生不能制热的故障。该饮水机制热部分电路如图所示。 其工作原理简述如下:220V市电经FU5A...

    佚名   2006-08-11

  • 格兰仕WD900B短路线设计之我见

      看过《电子报》2001年第49期、52期关于格兰仕WD900B微波炉的相关文章,我认为:从安全角度和法规要求出发,生产厂家的设计意图是可以理解的,也是必要的。开关S3ac连接的短路线虽不能说是电路缺陷,但还可以更高明,还有提高的余地。电子电路实施保护...

       2006-08-11

  • 小天鹅全自动洗衣机不排水故障修复

      一台小天鹅XGB33-82型全自动洗衣机进水正常、洗衣正常,但不能排水。  首先检查马达式排水牵引器。在牵引器接线端直接加上220V电压,牵引器不动作,牵引器坏。更换后试机,仍不能排水。这说明洗衣机微处理主板也有问题。由于该机能按程序进行进水、洗衣,...

       2006-08-11

  • 小天鹅XQB3883A1型全自动洗衣机不能转换的检修

      小天鹅XQB3883A1型全自动洗衣机在洗涤程序时不能转换到清洗程序。经查主要原因是排水阀芯内有异物卡住造成排水阀关闭不严而漏水,导致洗衣机在洗涤过程中洗涤桶内的水位不能保持在设置水位。当洗衣机桶内的水位降到最低时压力开关动作、进水阀启动开始进水。这...

       2006-08-11

  • 再谈电子启辉器

      《电子报》2001年合订本下册第73页刊登《一款电子启辉器剖析》一文。本人认为电路剖析有误。  为此,笔者剖析了半球牌电子启辉器,电路如附图所示。  比较两者电路,仅是原图中的C1应为150V稳压管。但原文作者为何会将形状相差甚远的稳压管误认为电容器...

       2006-08-11