
|
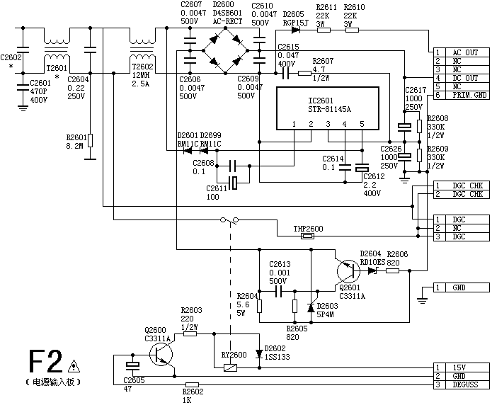
SONY G3F-K属于贵丽单枪系列机芯,主要有:KV-K25MF1、KV-K25MF11、KV-F25MF1、KV-F25MW11、KV-F25MN31、KV-K29MF11、KV-K29MH11、KV-F29MF1等。 该部分为电网输入电压变换电路,关于STR-81145A的工作原理请参见金星C7428电源。开关电源振荡部分见SONY G3F-K电源-2。 |

|
SONY G3F-K属于贵丽单枪系列机芯,主要有:KV-K25MF1、KV-K25MF11、KV-F25MF1、KV-F25MW11、KV-F25MN31、KV-K29MF11、KV-K29MH11、KV-F29MF1等。 该部分为电网输入电压变换电路,关于STR-81145A的工作原理请参见金星C7428电源。开关电源振荡部分见SONY G3F-K电源-2。 |
网友评论