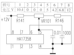
检查该电位器(VR101,1kΩ)正常。测量动触点电压,始终为0V,如图。12V经过R141、VR101、R146到地,从VR101的动触点分压出来的不同电压,加到HA17358{5}端控制行频。HA17358工作正常时的各脚电压如附表。正常时用万用表测{6}脚电压,当行频下降没有信号输入时,{6}脚电压为3.0V。此时测{6}、{7}脚电压均不正常,也没有反应。不加电时测得{5}脚对地电阻太小,而拆下发现{5}脚对{4}脚阻值正常,结果查得{5}脚外围的一个瓷片电容(0.01μF)漏电。换一只好的电容后开机重调VR101,同步正常,故障排除。
检查该电位器(VR101,1kΩ)正常。测量动触点电压,始终为0V,如图。12V经过R141、VR101、R146到地,从VR101的动触点分压出来的不同电压,加到HA17358{5}端控制行频。HA17358工作正常时的各脚电压如附表。正常时用万用表测{6}脚电压,当行频下降没有信号输入时,{6}脚电压为3.0V。此时测{6}、{7}脚电压均不正常,也没有反应。不加电时测得{5}脚对地电阻太小,而拆下发现{5}脚对{4}脚阻值正常,结果查得{5}脚外围的一个瓷片电容(0.01μF)漏电。换一只好的电容后开机重调VR101,同步正常,故障排除。
网友评论