目前,许多新型彩色显示器的尾板电路都采用TLS1233N 集成块构成。笔者根据PARCO显示器电路板实物,画出图1 所示的电路原理图,供维修人员参考。
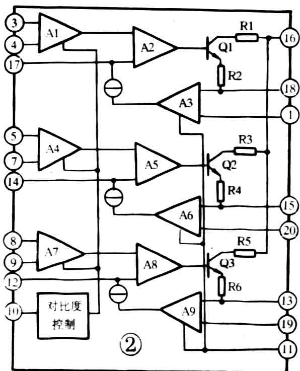
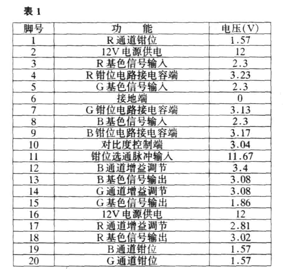
TLS1233N是美国TEXAS公司于1995年新推出的20个引脚的三基色视放集成电路,与以往的三基色放大电路LMl203相比,不但在-3dB处的频带可达到100MHz,更适用于高分辨率彩色显示器,而且集成度高,使电路更加简洁。Tls1233N内部电路如图2所示,引脚功能及电压如表1所示。
一、工作原理
由主机显示卡输出的R、G、B基色信号通过信号传输电缆送到显示器,并通过连接器CN301的③⑤①脚输入到显像管尾板电路。下面以R通道为例介绍该电路的工作原理:CN301③脚输入的R信号经C305、R305耦合到U301(TLSl233N)③脚,经R通道的放大器A1、A2放大,再经Q1射随后,由⑩脚输出的R基色信号经R321限流后,加到共发、共基放大电路Q303的b极。R信号经Q303、Q302共发、共基放大后,由C319、R350耦合、限流后,送到显像管红枪(阴极)、R304是匹配电阻。
调节U301的⑩脚或⑩脚外接的可调电阻VR301、vr303阻值的大小,可改变放大器A7、A4的增益,从而达到调整亮平衡的目的。
由于U301的17脚通过固定电阻R315接12V电源,所以亮平衡的调节是以红枪为准,另外,A1、A4、A7三个放大器还受⑩脚外接的对比度电路控制。因此,改变可调电阻VR302的大小,可改变对比度控制电压的大小,进而改变A1、A4、A7三个放大器的直流工作点,达到控制对比度的目的。
放大器A2、A5、A8分别受比较器A3、A6、A9的控制,由于比较器A3、A6、A9的工作与否,受11脚钳位选通脉冲有无的控制,在没有连机的情况下,因没有同步信号输入,不能产生钳位脉冲,所以射随器Q1、Q2、03截止,显示器没有光栅。而比较器A3、A6、A9工作程度取决于Q1、Q2、Q3提供的反馈信号与钳位电路基准信号,因此,比较器A3、A6、A9构成的是负反馈电路。
调节可调电阻VR304、VR305和VR306阻值的大小,可改变显像管绿枪、红枪和蓝枪阴极电压的大小,从而达到调整暗平衡的目的。
该电路为了增大视频放大器的动态增益,在显像管栅极(G1)加负压,改变该负压的大小,可改变显像管阴极发射电子束的多少,从而可改变画面背景亮度的高低。
图3所示的是ABL电路。当显像管束电流增大时,行输出变压器⑦脚电位下降,经R802、R735取样后,使(1806导通,导致TLSl233N⑩脚电位下降,放大器增益下降,使显像管束电流下降;C810是防止误动作的电容,R826是限流电阻。
二、常见故障的检修
1.黑屏
黑屏的主要原因是加速极(G2)电压异常或钳位脉冲(CLAMPGATE)异常。
正常时加速极电压为268V左右(数字万用表1000V档测得),若没有电压应检查行扫描电路是否工作;若电压低,应检查R354是否阻值增大,C332是否漏电。当加速极电压正常时,若⑩脚电压为12V,说明没有钳位脉冲输入;在确认Q301、R312正常后,故障点在主板。
缺色的原因通常是相应的放大电路没有工作、没有基色信号输入或显像管相应电子枪老化:下面以没有蓝色信号为例进
行分析。 首先,将数字万用表置于“二极管”挡,黑表笔接地,用红表笔点击Q307的b极,若屏幕有闪烁现象,说明视放输出电路及显像管正常,故障点在TLS1233N及增益调节电路:反之,故障点在视放输出电路或显像管:故障检修流程如图4所示。
3.亮度暗、圈像发虚
多为对比度电路或视放电路异常所致;故障检修流程如图5所示;
4.亮度失控制,有回扫线
亮度失控制、有回扫线,说明显像管栅—阴电压差过低。故障检修流程如图6所示。
5.亮度正常、图像发虚
故障多为显像管管座或聚焦极电压异常所致。打开显像管管座的聚焦极盒盖检查,若聚焦极电压引线有绿色的氧化现象,说明显像管管座受潮漏电;否则,多为行输出变压器异常。





网友评论