[组图]MAG-XJ500T显示器电路图
2007-08-16作者:2389

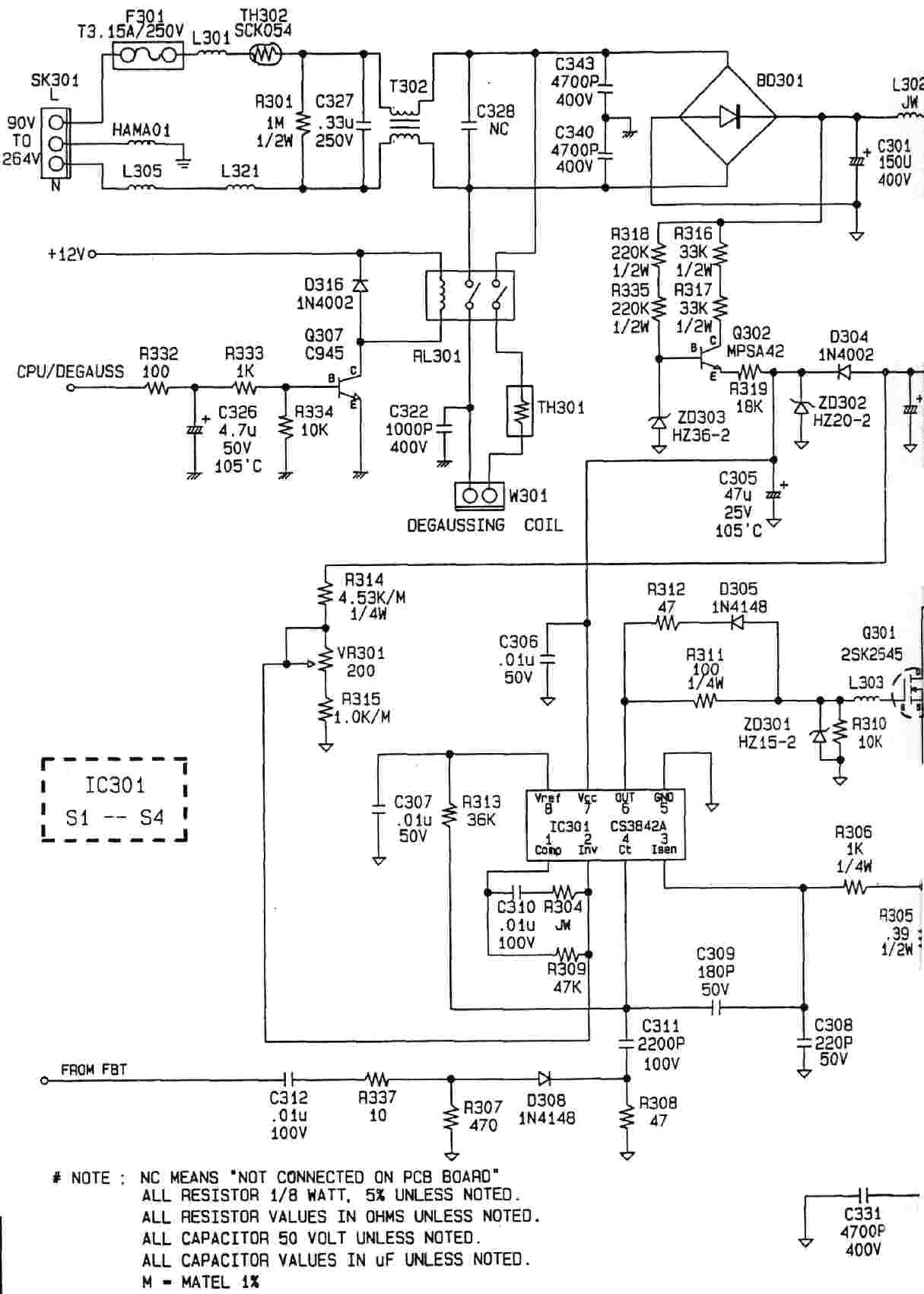
MAG-XJ500T显示器电路图-1

MAG-XJ500T显示器电路图(2)

MAG-XJ500T显示器电路图(3)

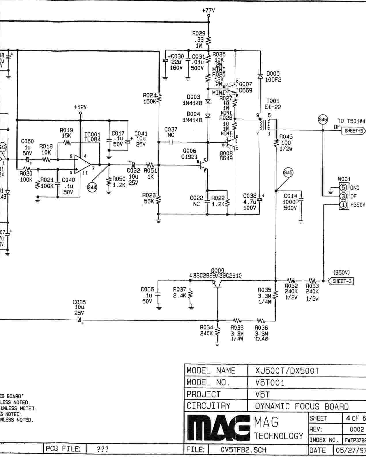
MAG-XJ500T显示器电路图(4)

MAG-XJ500T显示器电路图(5)

MAG-XJ500T显示器电路图(6)

MAG-XJ500T显示器电路图(7)

MAG-XJ500T显示器电路图(8)

MAG-XJ500T显示器电路图(9)

MAG-XJ500T显示器电路图(10)

MAG-XJ500T显示器电路图(11)

MAG-XJ500T显示器电路图(12)
>

MAG-XJ500T显示器电路图(13)

MAG-XJ500T显示器电路图(14)
网友评论