• 金长城显示器电源雷击故障的检修

    故障机型:金长城C-I5271型显示器;  故障原因:雷击;  故障现象:无显示。用户反映,该机遭到雷击时,发出“嘭”的一声响。  分析与检修:打开机壳发现电源保险丝(F901/3.15A)已经烧断,且内部发黑,说明电源有严重的短路故障。测电源调整管漏极(D)对地电阻为0Ω,栅极(G)对地...

       2007-08-16

  • 长城C-1475G数控彩显的维修

    这是一台长城14英寸数控彩色显示器,其故障现象为:屏幕上方约5cm宽的部分突然出现不均匀的扫描线,图像上部稍被压缩,其他部分显示正常,基本不影响使用。  顺着场偏转线圈向回查,发现电阻R731和二极管D601已被烧焦,型号规格无法辨认。测得电阻约1KΩ,二极管已被击穿。换上一只1/8W&n...

       2007-08-16

  • 方正显示器屏幕抖动和亮度不足故障的检修

    前些日子修过一台方正Aone14英寸显示器。故障现象是屏幕亮度不足,将亮度和对比度旋钮调至最大,屏幕依然很暗,播放VCD时,场景就和黑夜中拍摄的一样。但却可以用超级解霸软件中的亮度调整功能,将画面亮度提升至基本正常的水平,同时,该显示器还伴有屏幕抖动的现象。从故障现象来看,...

       2007-08-16

  • 无师自通维修显示器

    我有一台杂牌15寸彩色显示器,是同事淘汰给我的,原来的故障是点不亮(呵呵,好的别人就不会淘汰了),我在电脑市场花了70大元给修好了,配给我那台老奔用,但是老觉得给奸商宰了一刀(奸商称换了零件),心中常有不甘。 没过半年,显示器出了新的毛病...

       2007-08-16

  • 显示器OSD菜单的几种特殊故障及处理方法

    数控显示器调整方便,操作简单,迅速取代了原来的模拟调整显示器而迅速占领市场。不过,在我们使用过程中也会出现一些奇怪的与OSD菜单有关的故障,让我们摸不着头脑。现在我就结合实际中遇到的一些故障问题介绍一下这些故障产生的原因和解决方法。  1.当按下显示器面...

       2007-08-16

  • 自己动手调整彩色显示器的 色纯度和静会聚

    你是否觉得自己的彩显不如己意?在追求高分辨率和刷新率之后,你是否关注过它的色纯度和静会聚呢?其实彩色显示器同彩色电视机一样,其色纯度和静会聚的调整好坏会直接影响图形和字符的显示质量。 本人于2000年2月份在电脑二手市场上觅得一台深圳产格赛36cm(14英寸)彩显。该显示器采用原装三星彩管...

       2007-08-16

  • 常见彩显工厂模式的进入方法

    现在的彩显大多采用采用菜单方式对个参数进行调节。用户对上述参数进行调节时的操作模式叫做“用户模式”。在出厂时,微处理器内已经存储了“用户模式”的最佳调节参数和一些特殊参数隐藏了起来。特殊参数只有...

       2007-08-16

  • 谈谈显示器的“软”保养

    编者按:显示器的质量、耐用性、显示效果直接影响到用户的健康和工作效率,所以保养好你的显示器是“牵一发动全身”的关键。平时除了注意如防尘、接好电源电线、防止不正常电流损坏等“硬”措施外,“软”保养也很重要——也就是你使用电脑操作时候的设置和使用习惯中要注意的问题。1.显示器分辨率和带...

       2007-08-16

  • 实战显示器维修

    本人有一台14英寸的彩色显示器,品牌为TOPCOM,故障现象为一条水平亮线。看到这一现象,初步判断故障出在场扫描电路部分,并且可以肯定其电源部分和行电路部分完好。这台显示器行扫描电路与场扫描电路分别用了两块不同的芯片(有些显示器共用一块同时具有两种功能的芯片),行扫描芯片采用的是TDA...

       2007-08-16

  • [组图]飞利浦105A彩显──OSD控制旋钮故障的检修

    一台飞利浦105A彩色显示器,使用四年有余。近段时间出现了调节OSD旋钮不灵敏的故障,表现为激活OSD主菜单后,选择第二层菜单时便不受控制了,须小心翼翼地慢调,才能选中,进入第三层菜单后,显示0∽100%的参数。在正常情况下,顺时针旋转OSD旋钮,参数向0%靠近,逆时针旋转OSD旋钮,...

       2007-08-16

  • [组图]液晶经典故障修复全程纪实

    编者按:液晶显示器越来越受到用户的欢迎,全球几大显示器生产厂商也将战略眼球转向了液晶显示器,但是和CRT显示器一样,液晶显示器的故障率照样也是存在的。很多用户并没有了解液晶显示器的内部结构,一出现问题只能求助于售后服务公司,如果是过了保修期的话还得付上一笔不小的维修费用。下面的一篇文章是液...

       2007-08-16

  • 解决显示器磁化故障

     显示器磁化现象是显示器故障中比较常见的。下面我们就谈谈如何判断并祛除“色斑”,恢复显示器本来的面貌。 显示器被磁化主要的症状表现为:有一些区域出现“色斑”、局部图像发暗或者颜色变浅。若显像管被磁化的症状比较轻,你就会发现显示器好像有灰尘,可是用手指一擦又没有灰尘的痕迹。...

       2007-08-16

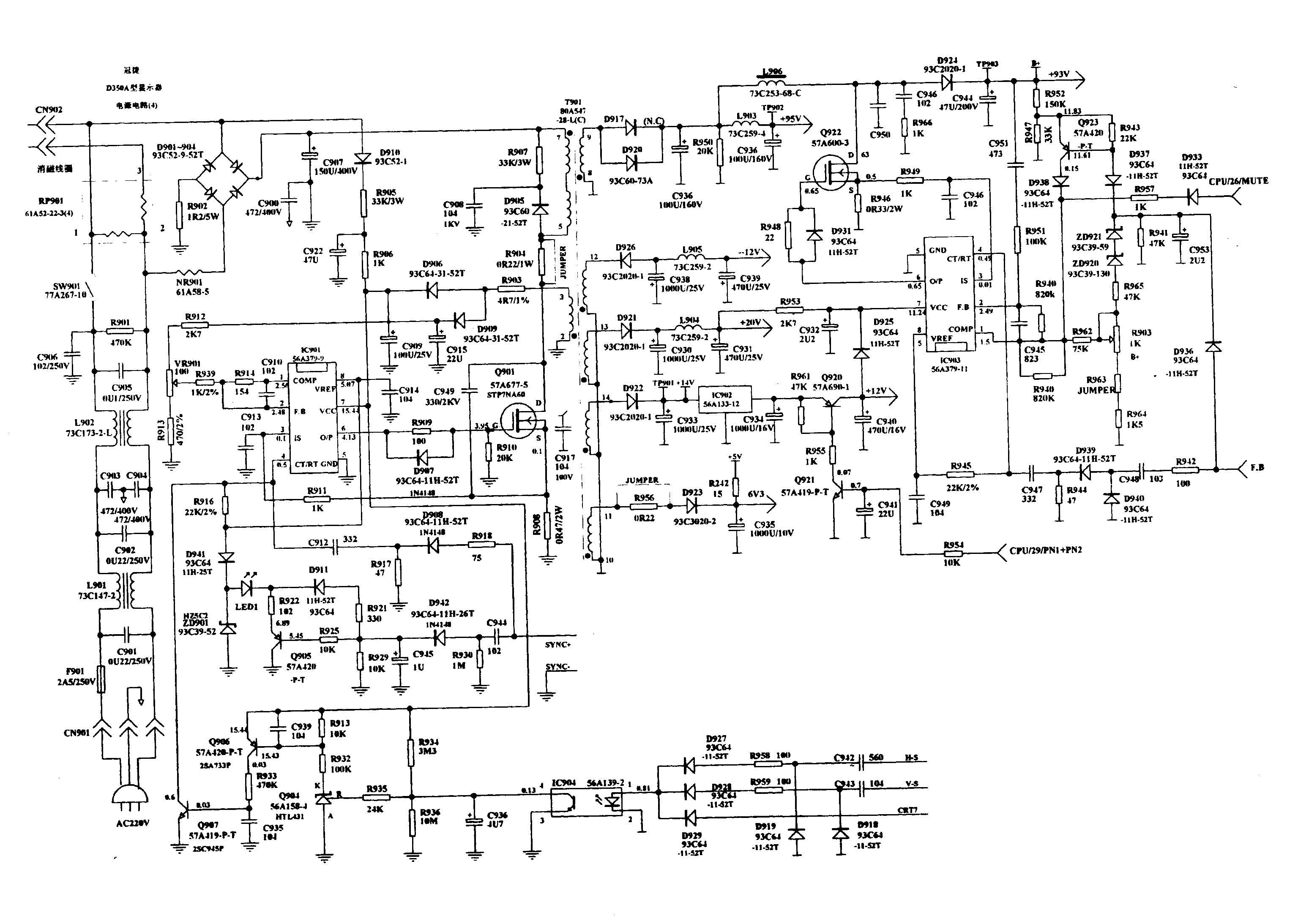
  • 冠捷D350A显示器

    ...

       2007-08-16

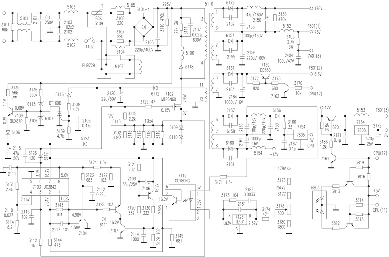
  • TDA4605开关电源控制电路

    点击放大 ...

       2007-08-16

  • 冠捷GJ1569显示器行幅不可调的故障

    点击下载 ...

       2007-08-16

  • STR83145自动电压切换电路

    ...

       2007-08-16

  • 显示器常见故障大集合

    一直以来,显示器作为电脑配件中比较重要的配件始终是消费者选购过程中较为重视的部件。而每当显示器出现故障时,消费者则是显得一筹莫展,一时之间束手无策。其实,在对显示器的工作原理进行初步了解之后,消费者自己也能进行简易的维修和保养工作,即使故障非常严重,也...

       2007-08-16

  • LCD常见疑难杂症的解决办法

    无论是电脑的初级使用者还是电脑高手在使用电脑的时候都会遇到不同的困难,液晶显示器的普及时间不长,很多问题都是消费者从来没有遇到过的,因此我们特地请BenQ和Acer公司客户服务部门的高级工程师为大家作出解答。  问:在对LCD进行开关时 屏幕上出现了干扰杂纹 请问这是否正常 ﹖   答...

       2007-08-16

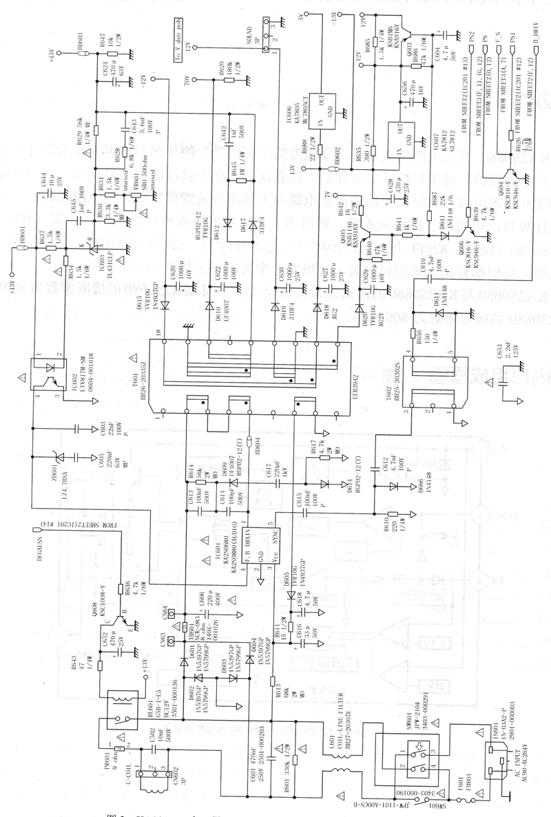
  • 飞利浦15A(B)显示器电源电路原理图

    飞利浦15A(B)显示器在国内的拥有量较大,但维修资料却较缺乏,且电路中使用了部分贴片元件,检修不便。现将维修时测绘的电源电路原理图整理出来,供读者维修时参考。 点击放大 ...

       2007-08-16