• Intergraph21sd95 21英寸TX-2162W型彩显正常

    测量带散热片的功率管,结果发现场效应管Q690(IRFPF50)及Q680(J306)损坏,因无J306管,用IRF9640代换,Q690用同型号管代换,试机,“吱吱”尖叫声消失,显示正常。...

       2007-08-15

  • AST彩色显示器,通电后工作指示灯不亮,屏幕无光栅,机内发出“吱吱”

    观察“吱吱”叫声是由开关变压器发出的。取下电路板(该显示器的开关电源与主板集成在一起)测量,发现D805负端对地电阻值为0Ω,将其拆下测量,D805并未损坏,行输出管Q503和高反压二极管D501也正常。在测量C816和C817时发现C816(100μ...

       2007-08-15

  • TOPCON VGA彩色显示器,通电后无光栅,电源指示灯闪烁,机内有

    经检查,造成该故障的原因是行输出管c极至逆程变压器的印制线断裂。印制线断裂,逆程变压器不能工作,即没有高压,所以没有光栅。同时,无行频控制脉冲反馈给电源,电源失去行频控制,使电源开关振荡频率降低,所以发出“吱吱”声。将印制线断裂处用0号细砂纸清除干净并...

       2007-08-15

  • 显示器维修之实战篇

    下面具体介绍一下常见故障的检修方法。  一、如何维修显示器的开关电源  如今显示器中的电源绝大部分采用的是开关型稳压电源(简称开关电源)。所谓开关电源,是指开关电源中的调整管工作在截止区和饱和区。调整管截止时,相当于机械开关的断开,调整管饱和时,相当于机械开关闭合。这种起开关作用的三极管,...

       2007-08-15

  • 同创TRM1528-64CK显示器使用过程中无规律出现半截光栅或光栅

    通电观察光栅变化,奇怪的是有时开机是上半部有光栅而下半部黑屏,有时开机又正好相反。多次开/关机试验,偶尔也能出现满幅光栅,但满光栅时又出现每隔三秒钟便有规律地收缩一次,开机时间稍长光栅就变成一条水平亮线的现象。并且注意到在偶尔出现满光栅时...

       2007-08-15

  • 安琪L5034显示器最大场幅度仅有10cm左右。

    据故障现象分析是场扫描电路发生故障。如偏转线圈局部线间短路;场扫描功率放大集成电路不良;扫描电流回路不畅等。  对场扫描电路部分直观检查,发现行、场信号产生集成电路U401(TDA4858)已被改成插座式安装,场扫描功率集成电路U501(TDA4866...

       2007-08-15

  • 联想X-P14C2光栅呈一条水平亮线。

    据故障现象分析,是场扫描部分发生故障,检查范围应从场振荡信号输出至偏转线圈电路,重点怀疑功率放大集成电路7402(TDA4860)不良。开机测7402的各脚电压,发现几乎均接近0V,说明7402因失去工作电压而停止工作。顺{1}脚检查,见+12V支路的...

       2007-08-15

  • PHILIPS14B显示器图像变暗,垂直方向拉长,水平方向左右均向中

    由显示器变暗、垂直方向拉长,可知行高压不足;水平方向向中间压缩,表明行偏转线圈电流不足。因此可断定故障部位在行输出级或电源部分,故障原因可能是行输出级供电不足。  此显示器开关电源部分输出有+8V、+12V、+90V和+165V四组电压。其...

       2007-08-15

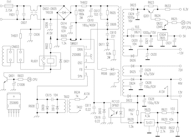
  • 15英寸三星彩色显示器开机无显示

    经检查发现开关电源中的TH602烧毁,TH602是限流元件,它的损坏与开关电源集成电路2S0680的好坏有关,与C610、C618、D611、R611的正常与否有关。用万用表在路测量上述各阻容元件和二极管均正常,再测量2S0680各脚对地电阻值,发现除...

       2007-08-15

  • 如何维修显示器黑屏故障

      首先,对于电脑主机故障造成的显示器黑屏故障我们可以从以下的思路来进行解决——   1.检查配件安装质量 当你在组装电脑或更换配件时发生黑屏故障,你应该首先检查你配件的安装质量。例如内存条安装是否正确是否与主板插槽接触良好、显示卡等插卡是否安装到位、BIOS中的相关设置与主板上的跳线...

       2007-08-15

  • NEC15英寸液晶显示器电源指示灯亮,但屏幕上无任何显示。

      液晶显示器的电源指示灯亮,至少说明显示器的电源是好的。而屏幕无任何显示,最普遍的情况是液晶显示控制模块与液晶显示板的段电极之间,有接触不良的故障。拆开显示器的外壳,可以看到控制电路和电源电路两个模块的电路板。拆下电路板后露出显示面板的X、Y电极引出数据线(X电极简称为背电极,Y电极简称...

       2007-08-15

  • 韩国产DSP5000胶片洗片机红色指示灯一直闪烁不停,面板显示器显示

    该机要求温度33℃。其工作过程是接通电源,洗片机内药液开始预热,面板红色指示灯闪烁。当液温达到设定值33℃时,蜂鸣器鸣响提示可送片,同时红色指示灯不再闪烁。液温达不到设定值的原因可能是加热回路部分元件损坏、温度传感器损坏、温度控制电路故障等。考虑到液体...

       2007-08-15

  • 方正PA456彩色显示器联机指示灯不亮,显示器不显示

    该机指示灯电路电压取自主开关电源,用DT890B数字万用表测量IC801 UMC3842{7}、{8}二脚,发现{7}脚和{8}脚电压不正常,分别为13V和3.8V,而且电压不断的波动,说明没有行逆程脉冲信号。关机检查开关管Q801正常,测...

       2007-08-15

  • COMPAQ 460-P (SM-5514E)显示器,单机加电时显像

    该机除亮度(BRT)、对比度(CONT)采用面板电位器调整外,其余各参数均采用CPU数控方式调整。该显示器的显著特点就是,单机加电时显示器没有高压,只有当主机开机后同步信号到来时,CPU控制板送来5V信号,行推动管才工作,显像管才有高压,因此在维修该型...

       2007-08-15

  • 一台AST-9356型微机显示器,在使用中亮度渐暗直至无光

    无光时,调节亮度控制电位器,能调出暗红光,但画面模糊不清,无法使用。冷机后重新启动,亮度只能正常几分钟,故障又重现。  根据故障现象,怀疑是亮度控制电路某元件热稳定性差或漏电所致。该机的亮度控制电路如附图所示(该机无电路图,依实物画出)。  卸下显示器...

       2007-08-15

  • 15英寸的BenQ LCD,将原来的CRT显示器替换下来后,开机自检

    出现这种问题是因为显示器的刷新率或分辨率设置超出了LCD的支持范围,解决方法如下:  第一步,正常启动电脑,在开始启动Windows时按下键盘上的F8键,选择以安全模式启动计算机。  第二步在系统桌面上用鼠标右键单击空白处,在弹出的菜单中选择“属性”...

       2007-08-15

  • 显示器“黑屏”故障检修思路

    计算机开机启动时通过POST程序进行上电自检。自检时若出现硬件故障,POST程序终止,并显示故障代码或发出故障告警信号,其中“黑屏”是涉及到计算机各子系统的常见故障。 故障现象一 开机后,喇叭发出“嘀”的...

       2007-08-15

  • CM-456型显示器出现水平一条亮线的故障

    这显然是场扫描电路的毛病。打开显示器后盖,检查有关电路,发现场扫描集成块TDA1175烫手,正准备测该集成块各脚工作电压时,忽然一个电阻冒烟烧毁,马上关机。 经查该电阻是串接在场扫描集成块{2}脚(VCC端脚)的限流...

       2007-08-15

  • 爱莎14寸显示器,开机无图象,过一会后行才开始工作,但图象从中间向上

    原因为电源电路12V滤波电容失容所致,C723 470V/50V。...

       2007-08-15

  • 三叶14寸显示器,开机“支支”响,屏幕的右半部分偏蓝,字符有拖尾现象

    经检查为视放输出管和阴极之间接的一无极性电容失容所致。 此电容为1UF/160V,由于此故障基本是通病,所以其他的两个电容也有不同程度的容量减小现象,所以一次就把R,G,B,三个电子枪的电容都换掉,以免后患。开机“支...

       2007-08-15