笔者利用现有的元件,制作了一台50W×2胆石结合的立体声放大器,成本较低,元件易取,向大家介绍。 

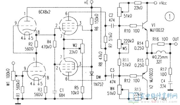
    电路原理:以L声道为例。前置及倒相级采用三-五极管6CX8组成,三极管部分接成常见的单端并联式(SRPP)电路,五极管部分组成共阴差动倒相电路。负载电阻R7、R8取值不同,主要是上下倒相管增益趋于平衡,使其电路的工作点在三极管输出特性的线性段。 

    末级功放管选用珍藏近三十年,颇有盛名的MJ10032、MJ10033大功率管组成全互补对称OCL电路,输出端接入补偿网络,以提高上端频率的稳定性。

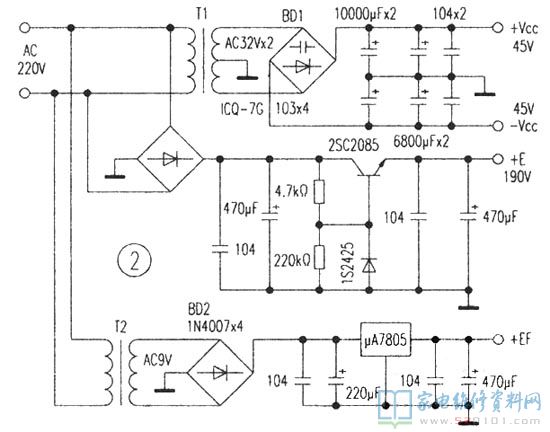
    本机用两只变压器:T1是250W环“牛”,经BD1(5A桥堆)整流,C1—C6滤波,供末级功放管电源。T2为20W普通变压器,9V电压经四只二极管桥式整流、三端稳压,输出+5V直流电压为6CX8的灯丝供电。前置级与倒相级电源,采用常见的高压+E模拟彩电一次直流不稳定电压获取方法取得(因这种电路很常见不再重述)。 

    本机调试十分简单。首先将输入端短接,在输出端接一只5~10Ω的20W电阻作假负载,W2、W3、W4调到最大位置,W5置中间位置。接通电源,使V1、V2射极电阻公共接点为0V,若相差较大,再仔细调节W5,然后再细心调整W3、W4,使R14、R15端电压均为0.044V(用数字万用表测量),使大功率管静态电流为200mA左右。反复调整W3-W5,达到上述要求。然后调整W2,使6CX8的②、⑦脚间电压为3V。 

    图1为双50W胆石放大器电路,

图2为电源电路,

图3为6CX8管脚分布。附表为6CX8的三极管部分和五极管部分参数。