市场上低端功放价格越来越低,然而其音顷离HIFI越来越远,对初学者特别是学生朋友来说,怎样用低成本打造一部HIFI功放是一个热门话题。虽然用发烧运放搭配IC功放是不错的选择,但发烧运放价格被炒得很高,假货也不少。用运放配合分立元件电路来改善音质,其电路复杂程度不是初学者能玩好的。另外,发烧运放的供电部分也比较讲究,多采川低内阻精密稳压电源。

    低成本制作HIFI功放,笔者一直主张用前胆后石组合,该方案成功率高,最主要是它比普通运放制作的功放听感更有韵味。一些读者可能发觉音响市场很多台式迷你音响将一两只电子管“露”出来,作为一个“卖”点,说明电子管在功放中有很大作用。

图1是笔者设计的一款音响胆前级电路,采用6N3作前级放大和缓冲输出,音量电位器放在输出级,进一步降低电位器噪音。虽然6N3不是最理想放大管,该电路也不是最发烧的电路,但在市场上较易购到6N3。当然可以用其他发烧电子管作缓冲器,如6N8P、6J8P等。不过这些管体积大,工作电压较高,制作成本相对较高。6N3可低电压工作,可降低电源变压器的要求。该电路高压电流较小,完全可用倍压整流的方式获得高压直流,如图2所示。

6N3灯丝可用交流或直流稳压供电,笔者建议使用LM317稳压直流供电。改变灯丝电压可改变音色,6N3灯丝电压在5.9V时听感最好。 

    图3是电子管万能板图,线路板尺寸200mmx60mm。图4是电子管万能成品板,线路板垂直于机箱安装。若用5670电子管代替6N3,由于5670高度仅50mm,可以把线路板平行于底板安装。 
    市面上很多低价DVD机的电源部分用料极省,DVD机搭配电子管缓冲器后可以改善听感,若家里已有功放,该电路也可串联在DVD机与AV功放之间,该缓冲器也可接于HTPC、硬盘播放器、MP3、MP4等数码产品的模拟音频输出之后。 

    至于该缓冲器听感如何,笔者认为比网上卖的一些仿音乐传真的电子管缓冲器效果好,音乐传真的电子管缓冲电路是针对12V交流低电压设计的,为0dB放大,主要是在不改变CD机与功放机的功能与结构条件下使用。笔者认为仿制电路花的费用,可以选更好的电路制作,如6N3一级放大加6N11缓冲,与图1类似。

    集成功放选择余地较多,如LM1875、LM3886、TDA7394、TDA7293、LM4766等。笔者看好TDA7294与LM4766,是因为近期TDA7294比LM3886售价要便宜很多,LM4766为双声道设计,TDA2030/2030A也可选择。国产的2030IC功放仅一元多钱一只,多媒体功放大量使用。该低端IC功放搭6N3胆前级,声效令人满意。选用集成功放的好处一是成功率较高,二是工作电压范围较宽,方便选择电源变压器,三是集成功放有潜力可挖,可用标准电路也可用改进电路,如IC并联使用。

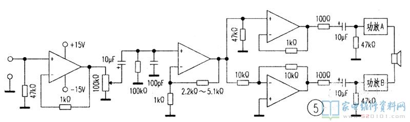
一些发烧友热衷于作的2片并联/3片并联IC功放,虽不能增加功率,但驱动力增强。笔者比较看好用IC来制作BTL功放,图5是一款用4558低价运放制作的BTL功放前级处理电路,可轻易扩大功率到原单个IC功率的两倍。另一个方法是,用相同功率IC制作多路功放,驱动不同的喇叭单元。如两分频音箱高音用一只TDA7294驱动,低音、中音也分别用一只TDA7294驱动,功率分频建议各单元接各自对应的分频器,如图6所示。

集成功放很容易制作出多声道功放,现在很多DVD机多带有5.1声道输出接口,配套蓝光DVD机的7.1声道的解码器也很便宜,业余条件可用10片TDA7294制作出发烧级的8声道功放。

若仅用一片LM4766或两片TDA7294作一双声道功放,由于功放板体积较小,可以与6N3胆缓冲器一起装在一个机箱内,该功放既可推动小功率的书架箱也可推动一些灵敏度较低的耳机。 
    至于低成本的HI—FI胆石混合功放接近多少价位的商品机,还是留给玩过的发烧友去对比,很多发烧友早有评价。胆石混合,会给你耳目一新的惊喜,低成本发烧是另一种玩法,也更能玩出水平。