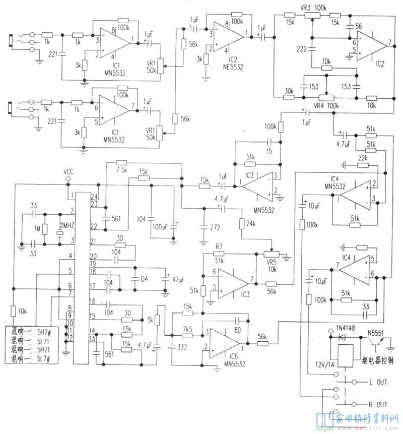
M65831用于话筒的混响放大和延时处理,常见的应用电路如下图所示(以琴谱BT220A为例),其电路的工作原理如下: 

    两路话简信号分别从IC1的③、⑥脚输入,经前级电路放大后,分别从①、⑦脚输出,再经各自的音量电位器调节后,其中心输出端并在一起输入lc2③脚,经放大后(约60倍左右)从该集成电路的①脚输出,经电位器VT3、VR4调节高低音后输入Ic2⑥脚,再由IC2的⑦脚输出至电路的下一级。 

    该信号输出分为两路,一路送住IC4的⑥脚和③脚,作为话筒信号直接输出;另一路送往IC3的③脚,经其电路匹配后,送往M65831电路的22、23脚怍为电路的基准信号,经M65831内部电路处理后从13脚输出话筒混响信号,该信号输出也分为两路,一路加入话筒信号的直通输出端,而另一路则送往IC3的⑥脚,由其反馈到M65831的22、23信号输入端,进一步加强电路内部的混响处理,提高电路的混响输出幅度。 

    IC3外接电位器VR5是用于混响时间调节的电位器,也叫延时电位器。另外,信号输人端的背景音乐信号也从电路加到话筒末级放大电路输入端(本电路图末画出)。混响深度调节由M65831的⑤、⑥、⑦三脚的电平选择来完成,其电路的逻辑电平见电路图中的逻辑电平表,当选择不同的电平时,就有不同的混响效果输出。
    检修要点:由于本电路处于电路振荡状态,所以电路中的集成电路和晶振元件易损,其故障现象多数表现为无混响,但话筒输出正常。首先应检查电路的电压状态,除电源供给端之外,13到23脚的电压值均为2.5V左右,晶振两端的电压压降为0.5V左右。如果晶振两端的电压值是一样的话,说明电路没有起振,多数情况下为晶振损坏,更换即可排除故障。在电源电压正常的情况下且更换晶振无效时,直接更换集成电路就可排除故障。 
    正常工作所需的条件:1.电源电压正常,一般为5V。2.晶振起振后两端要有0.5V的压降。3.挡位选择电平的变化如电路图中的逻辑表所不。4.电路的22,23两脚要有正常的话筒取样信号输入。满足以上四个条件时,本电路13脚才会有混响信号输出。