互感音箱产品功能描述

互感音响采用电流互感技术,无需蓝牙、和链接音频线,只需将您的手机放到音响上,即可魔法般的实现音响功能!
· 魔法般的放大手机等设备的音响。
· 不需要任何的配对之类的设置。
· 自动开关。
· 大部分的IOS设备和安卓手机支持。
· 输出强劲:2W*2RMS。
· 高效--15小时的播发时间*AA碱性电池x3。
· 低电显示。
· 支持音频输入(3.5mm )和DC 输入(数据线)插口。
· 产品包含:音箱*1个
操作:
1 手机等播放设备:
当处于待机或者开机模式时,把iphone等带外置扬声器的设备放置在正确方向上,并且外部扬声器或音响正在播放时即可启动产品功能实现音响功能。IPHONE4对齐即可实现音响功能。
不同的音频设备放置不同,不断尝试拜访设备直到它和扬声器传感器一致(产品的感应区在前端的左右两侧两个点,只要您的外部扬 声器对准一个地方级可)。
2 音量调节:若要调节音量,只需改变手机的音量,音箱会自动调节输出音量。
3 操作中的音频:直径3.5mm的插口是为大部分手机的有线音频,输入设置的,使用接线方式可以是低音播放效果更佳。
4 电源:该迷你音响可通过3个AA电池或者外置的数据线插口直流输入供电,首次置入电池时该扬声器会保持在默认待机模式。
每按一次电源键,电源状态将按如下循环前进一步:关机---待机---开机---关机......
5 自动开机/关机:
当该产品处于待机模式,如果音乐播放时设备被摆放至在正确位置上,产品将会自动启动。
音乐停止1分钟后,产品会返回待机模式,若使用碱性电池,产品可保持留在待机状态6个月以上。
当处于开机模式时,产品会在音乐停止10分钟后自动关机。
6 低电量显示:蓝色指示灯每4秒闪烁3次代表电量不足。只有在待机模式才有此显示。
请注意:当电量低时,高音量的播放可能会使音响失真。
当电量相对较低时,系统会自动切断电源放置造成电池损坏。
7 外置的5V直流输入:数据线插口可供5V的直流外电源使用,当外电源插入时,AA电池不会被使用。
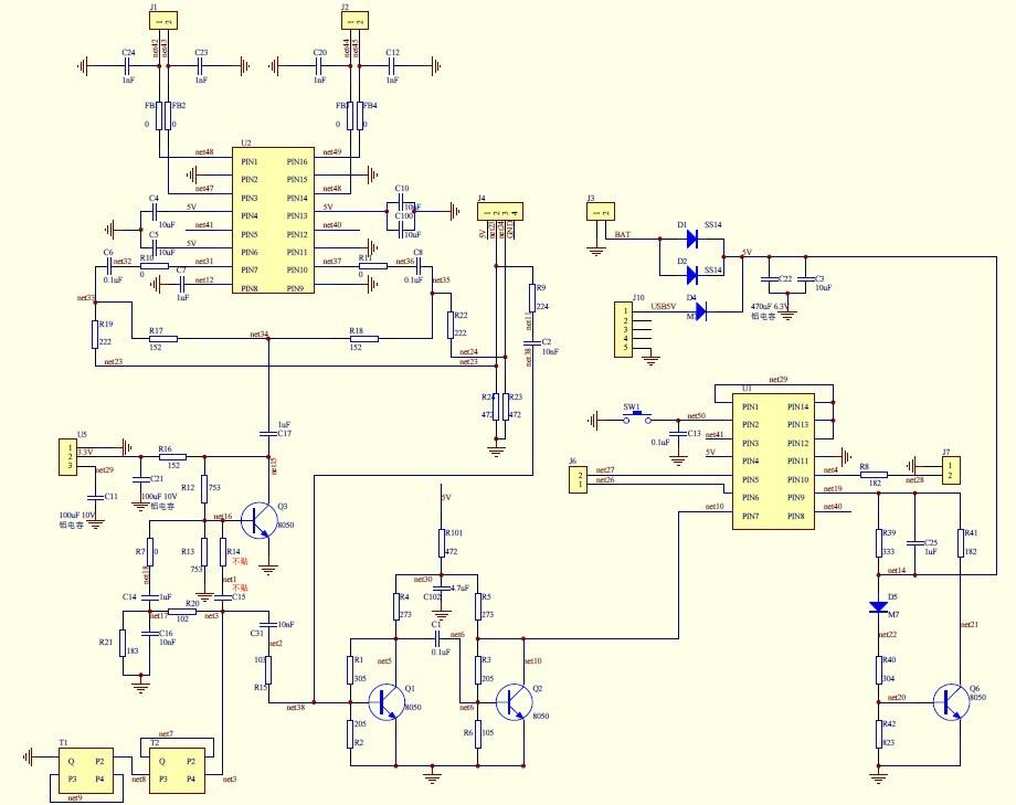
电路原理说明:
简单来说,就是手机等设备播放音乐时喇叭产生磁场,变压器将磁场转换成电流,然后通过功放IC放大驱动喇叭。电路主要有MCU,音频放大IC组成。
MCU主要用来控制开关机,电流电压及音频信号的检测,功放IC用来放大音频信号。
网友评论