• 金想VCD991 MP组合机检修

    [例1]电源指示灯不亮,整机不工作。 这种故障一般是电源不通引起,应重点检查图1所示供电电路。 测量电源变压器检测D303~D306无异常,但测C322两端电阻值很小。将功放集成块IC401{16}脚供电脚脱离线路后,复测C322两端电阻值恢复正常,而测IC401{16}脚对地电阻值很...

       2006-08-01

  • 金正VCD机检修

    [例1]一台金正VCD-J7818A机,播放十多分钟后碟片停转,死机。 怀疑解码板有接触不良及虚焊现象。仔细检查解码板未发现有虚焊的地方,装回解码板试机仍不读碟。观察光头无红色激光发出,经查光头排线弯折处有三根线似断非断,更换排线后一切正常。 [例2]一台金正GVCD8001机,通电即...

       2006-08-01

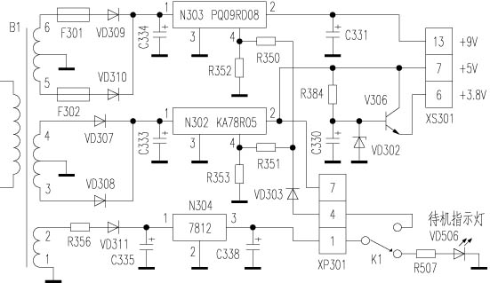
  • 新科SVD-210超级VCD机电源故障分析

    该机在插上电源插头后,待机指示灯亮;按下POWER(电源)开关,不能开机,显示屏不亮,无“shinco”开机画面。 根据故障现象,先查电源部分。测电源板插件XP301(输至前面板)有12V、-22V、AC3.1V输出,但无+5V输出;测电源板插件XS301(输至解码板)上无+9V、+5V...

       2006-08-01

  • 先科AL-P678K型VCD机不读盘检修

    先科AL-P678K型VCD机是深圳市先科电子有限公司1998年生产并投放市场的产品,它采用了最新型CL680解码芯片和新一代飞利浦CD7系列数字机心,属第三代VCD机。由于采用了新技术设计,使得盘片读取能力大幅度提高,性能表现较佳。从生产至今已有5年时间,这批VCD机目前已进入维修期。笔...

       2006-08-01

  • 万利达N28型VCD机伺服系统故障分析与检修

    N28型VCD机伺服系统由聚焦、循迹、光头径向和主轴恒线速伺服等电路组成。该系统由多个集成块组成,各集成块之间相互牵连,往往某一块工作失常,其他各块工作也不正常,从而使故障面显得很宽,给检修带来一定的难度,下面笔者浅述自己的检修经验和方法,供同行参考。 在检修N28机伺服系统故障时,有三...

       2006-08-01

  • 金正N525超级VCD的原理与维修

    一、整机介绍 S525采用SONY伺服+C-cube解码,是金正极具代表的一款机型,目前市面上比较流行的金正牌超级VCD和最近生产的VCD几乎全部采用该方案,如S500、S505、S506、S508、S520、S520G、S525、S525A、S52...

       2006-08-01

  • DVD机故障检修

    故障现象:通电后按POWER键,红色待机灯熄灭,绿色工作指示灯亮,但按其他功能键均不起作用(松下A300MU型DVD机) 分析与检修:从故障现象来看,显然CPU(IC6501)能执行POWER指令。该机CPU(IC6501)的3、4、5脚输出的开关信号控制着电源的待机、工作指示灯及ON/O...

       2006-07-30

  • 不花钱修VCD机

    一台奇声VCD机播放功能一切正常,而在托盘中不装碟片时,按出盒键,空托盘不能出仓。分析检修:打开VCD机盖观察,托盘中不装碟片时按出盒键,仓盒点击工作,而托盘不能退出,需人为加一点力,托盘才能退出。&n...

       2006-07-30

  • TCL DVD机故障检修实例

    一、TD-3000机检修此机采用美国卓然公司第三代解码芯片,型号为ZR36710X,机芯为DVS公司产品,型号为DSL71OA,兼容多种碟片播放,内置AC-3解码输出等功能。 [例1]开机VFD不亮,全部功能失效,俗称死机。 经查各路电压正常,根据故障分...

       2006-07-29

  • 更换飞利浦光头小经验

    在更换飞利浦三碟机芯激光头时,不小心有可能折断伺服板小微动开关触杆。笔者的经验是:接通电源,按换碟键,使碟盘转动,转至两碟中间位置瞬间,拔下电源线,此时由于光头到位开关与盘片到位开关均未闭合,触杆与触动臂没有接触,所以尽可放心操作,不会折断触杆。...

       2006-07-29

  • 部份影碟机维修实例

    例1:一台新科330型VCD图像正常,一个声道无声.图像正常而且有一声道也正常,说明电源,CPU,音视频数模转换正常,重点查无声一路的输出和放大电路.试把有输出的声道声音输入无音声道,结果有声音输出,说明音频输出电路正常,应查前级放大电路.检查发现耦合电容漏电.此电容为330PF,更换故障...

       2006-07-29

  • 超级王牌2600型CVDC机故障检修一例

    超级王牌2600型CVDC机故障检修一例 故障现象:通电后全机不工作,但显示屏灯丝能点亮,其它按键无反应。 分析故障:此机送交笔者时,已经请人修理过,说是此机解码板已损坏,无修理价值。笔者分 析显示屏灯丝...

       2006-07-29

  • 万利达PDVD-N996型DVD机故障分析与检修

    万利达PDVD-N996型DVD机故障分析与检修 据用户称,该机在一个雷雨天重放DVD碟片时突然不工作,显示屏无显示,操作机器各功能 键均失效。 1.分析思路 既无显示,整机又不能工...

       2006-07-29

  • 步步高DVD机解码部分故障检修

    一、解码部分原理   机心读取的信号经过UDE接口电路送入解码芯片(ZIVA-4.1)进行解码,还原出模拟的视频信号和数字音频信号,其中模拟视频信号(亮度Y、色度C及复合视频信号CVBS)直接从解码芯片ZIVA-4.1输出。数字音频信号送入至CS4228进行音频D/A转换后输出5.1声道模...

       2006-07-29

  • 麦科特MD-2018型DVD机开关电源分析

    麦科特MD-2018型DVD机开关电源分析 这是一款并联型开关电源,其初级部分采用了开关电源专用集成电路5L0380R。该IC内部包含了振荡、输出、保护等电路,因此具有外围元件少、功耗低、性能可靠等优点。本文简述该电路的工 作原理。 &nbs...

       2006-07-29

  • 先锋2730K影碟机不读盘和无显示检修

    先锋CLD-2730K影碟机常作为酒店的LD设备,供顾客演唱卡拉OK使用,有一定社会拥有量。因为没有技术资料,检修有一定难度。现举两个常见病例,供检修者参考。  [例1]托盘进出正常。重放则有时正常,有时失灵;失灵时,显示无盘“NO DISC”。  开机观察激光头始终有聚焦搜索动作;正常时...

       2006-07-23

  • 厦新VCD机常见故障检修

    [例1]777型机播放时图像正常,伴音音小,演唱卡拉OK时话筒无声。  该机播放时图像正常、有伴音,只是声音较小,说明解压主芯片CL680正常、伺服正常。分析故障应在CL680之后的D/A转换或模拟音频信号处理电路。打开机盖直接用扩音机输入插头分别与JN03插头7、9AUDIOR、AUDI...

       2006-07-23

  • 厦新VCD768电源电路

    ...

       2006-07-23

  • 厦新VCD768AV输出电路

    ...

       2006-07-23

  • 厦新VCD768操作显示电路

    ...

       2006-07-23