• LG DV-7290 DVD视盘机电源板电路图

    ...

    佚名   2018-01-02

  • 检修影碟机故障的常用方法

    目前的家用碟机主要有VCD和DVD两大类,随着科技的不断进步,功能更加强大、影音质量更加完美的新型碟机(如EVD等)不断出现,但它们的电路构成和工作原理大同小异。 笔者根据自己的检修经验,总结出了在业余条件下检修碟机常见...

    佚名   2018-01-02

  • KSS-213系列激光头使用休会

    KSS-213光头是早期VCD产品中使用最多的光头,其型号繁多(光头后辍不同),分为KSS-213A、KSS-213B、KSS-213C、KSS-213D、KSS-213E、KSS-213F、KSS-213G、KSS-213H、KSS-213V、KS...

    佚名   2018-01-02

  • 三星SOH-AA与KSS213光头互换经验

    笔者接修一台使用三星SOH-AA光头的VCD机,不读碟,怀疑光头损坏,用KSS-213光头代换,读碟正常,但碟机出现有规律的停顿,怀疑新光头纠错差,另换一只故障依旧,考虑到碟机很少有电路和光头同时损坏的情况,于是判定故障仍在光头部分,换一只带架的KS...

    佚名   2018-01-02

  • 三洋激光头和索尼激光头的互换

    三洋SF-101激光头和KSS-213激光头其插口相同,电路亦相近,在一些机器上可以互换,但效果不好,有时将KSS-213光头用在使用三洋光头的机器上纠错效果比三洋光头好,SF101光头用在使用KSS-213光头的机器上,大部分纠错极差。...

    佚名   2018-01-02

  • 雷击DVD视盘电源的代换

    笔者接修一台现代三星A38型DVD机,遭受雷击后整机不工作,测量电源板各组输出均为0V,给主板外接+5V电源,屏显及开机画面正常,说明主板电路基本正常。 经捡查电源板,发现损坏的元件有:电源模块DIP2(VIIPer22...

    佚名   2018-01-01

  • DVD视盘机用5L0380R代换DH321

    笔者接修一台王牌数码DVD机,电源模块DH321损坏,造成整机不通电。由于笔者所在的本地电子市场无法购买到该型号配件,想用市售的DVD电源板代换,可是维修成木偏高,并且不能有效地利用原机电源元件,并非理想的维修方案。考虑到DH321工作原理和常...

    佚名   2018-01-01

  • 利用温度的变化检修DVD解码板

    解码板是DVD视盘机电路部分的核心,也是DVD播放机最复杂的部分,线路多、信号多且分布密集,稍有不慎便会造成损坏,因此对解码板的检测以及修理一直是难点(特别是对大型集成电路的判断)。 本文以松下DVD播放机RP650-S...

    佚名   2018-01-01

  • 现代山水DV-898自动出仓故障排除

    一台“现代山水DV-898型”DVD机,在使用约一年时间后出现加电后,带仓自动弹出,再次按动“CLOSE”,带仓进入后仍自动弹出,导致无法正常播放。 小心拆开该机带仓后,发现带仓加载电机皮带上沾有少量油渍,该油渍是因加载皮带距带仓直...

    佚名   2017-12-31

  • DVD视盘机中ROM块损坏特征

    ROM存取影碟机中通讯信号和数据,比较常见的型号是29LV800BA。是DVD中最易损坏的芯片之一。其损坏后容易引起碟机不开机,当影碟机出现不开机或开机画面闪一下又消失均为ROM损坏,用烧录好程序的同规格ROM块代换即可。...

    佚名   2017-12-30

  • 影碟机的驱动芯片MN1469代换

    三星和索尼机芯中常用的驱动IC MN1469很难买到,经查资料发现与常用的驱动IC KA9258类似,试用KA9258代换其一举成功。 万利达DVD中常用的驱动ICBA7954其结构与常用的IC BA5954类似,试用B...

    佚名   2017-12-30

  • 三洋SF-90代换SF-P1激光头方法

    本文笔者有一台组合音响因激光头老化,CD功能无法正常使用,因其采用的三洋SF-P1激光头(单排13线)早已停产,一时无计可施。 参考资料介绍可用三洋SF-90激光头进行代换,于是在网上找到一商...

    佚名   2017-12-30

  • 嘉宾爱8100 DVD机双电机损坏导致的故障

    故障现象:一台嘉宾爱8100型DVD机,故障为入盒不到位,仓盘不断往复出、入。手动入盒到位后,激光头组件读碟动作正常,碟片慢速旋转,各种碟片均不能读播。 故障维修:这是一机多病的表现,应分别检查和处理(该机用SPHE6300A+SPHE8200A主板,激光头犁号为三洋SF-H...

    佚名   2017-12-26

  • 由L6565N构成的碟机开关电源电路原理

    讯奇(XUNQI)YF-2668 DVD机电源是以L6565N核心的并联型开关电源。L6565N一片准谐振(MSPM)单片开关电源集成电路。除内置启动、振荡、过流、欠压保护等电路外,还通过变压器进行零电流检测,通过线路电压前绩补偿,使变换器功率容量随主线电压变化,在轻载时,L6565自动降...

    佚名   2017-12-26

  • 影碟机TP6312代换TOP6352

    金正VCD影碟机以及某些杂牌VCD机的面板驱动IC采用的是TOP6352,市场上很难买到,经检查发现和TP6312脚咖位类似,试用TP6312代换一举成功,该IC亦可采用UPD16312、CS16312、HL6312直接代换。...

    佚名   2017-12-26

  • 影碟机进给不停的原因

    飞利浦光头长时间使用后,会出现光头向前不停进给的故障,有时又能恢复正常,这是由于光头进给到位开关氧化所致,换用一新开关或将开关接触面刮干净即可。 步步高机型出现类似情况则往往是由进给到位开关引线断裂所敛,特别是...

    佚名   2017-12-25

  • 影碟机中常用单片机W78E58-24维修方法及资料

    W78E58-24集成电路是8位微处理器,系台湾华邦公司生产的单片机。IC内部含有32k字节的Flash EEPROM;最高工作时钟频率为40MHz,有3个16位定时器;低功耗,工作电压在1.8—5.5V间。经详查相关资料,W78E58-24和80...

    佚名   2017-12-25

  • 三星A38 DVD视盘机电源板电路图

    ...

    佚名   2017-12-21

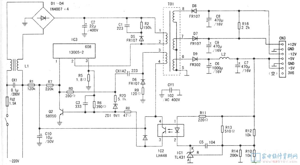
  • 13005-2为核心的DVD机开关电源电路原理分析

    飞响20D DVD视盘机开关电源主要由电源厚膜电路13005-2(IC3)、开关变压器T01、光电耦合器LH448(IC2)、精密可调基准三端稳压器TL431(IC1)等组成。具体电路如附图所示。 一、工作原理 1.输入电...

    佚名   2017-12-21

  • DVD主轴电机故障的判断及修理

    DVD机不读碟,主轴电机不良是故障原因之一,判断方法有电阻法测主轴电机的电阻值,或用手转动看主轴转动是否灵活等。 事实上机械故障占主轴电机故障的90%,具体表现在:(1)主轴承缺润滑油干涸,电机转动不灵活;(2)整流子短...

    佚名   2017-12-21