概述:XCM519采用超小型表面实装封装USP-12B01(2.8mm x 2.3mm x 0.6mm)。工作电压为2.7V~6.0V。内置时钟振荡器为1.2MHz,3.0MHz,可配合应用目的进行选择。工作模式可以选择为PWM控制, 或者PWM/PFM自动转换控制。
一、XCM519引脚功能
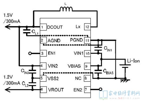
二、XCM519典型应用电路
概述:XCM519采用超小型表面实装封装USP-12B01(2.8mm x 2.3mm x 0.6mm)。工作电压为2.7V~6.0V。内置时钟振荡器为1.2MHz,3.0MHz,可配合应用目的进行选择。工作模式可以选择为PWM控制, 或者PWM/PFM自动转换控制。
一、XCM519引脚功能
二、XCM519典型应用电路
网友评论