概述:MAX4888C提供标准的3.5mm × 5.5mm的28引脚 TQFN 封装。他们工作在-40 ° C至+85 ° C扩展级温度范围。

该MAX4888C是为在那里的输入和输出电容耦合(如的SAS,SATA,XAUI和PCIe)和提供10μA(典型值)的源电流和60kΩ(典型值)的内部偏置电阻到地在系统中使用在AOUT_和BOUT_引脚。

一、MAX4888C功能和特点:     
●+3.3V单电源电压

●支持PCIe根余,第二代,第三和Gen率数据

●支持直至并包括6.0GbpsSAS/SATA的信号

●支持其他高速接口(例如,XAUI的)

●高带宽回波损耗


二、MAX4888C引脚功能


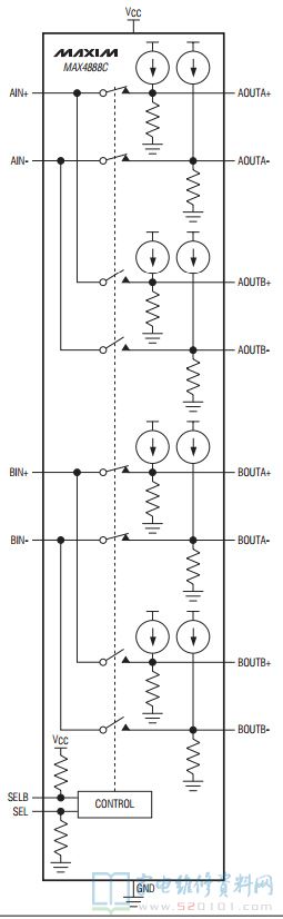
三、MAX4888C内部方框图


四、MAX4888C典型应用电路