概述:LTC2802采用4mm x 3mm DFN 12脚封装。工作于 1.8V 至 5.5V 的输入电源电压范围。低电压适用于由两节碱性、镍镉或镍氢金属电池供电的系统或直接与低电压逻辑电源连接的系统。由于具有 1uA 的低停机电流和 15uA 的接收器工作电流,这些集成电路解决方案吸引了通过 RS-232 接口通信的任何应用。支持高达 1Mbps 的专有诊断链路数据速率。集成了升压转换器,以产生所需的 RS-232 输出信号电平。控制引脚负责调用任选的停机、接收器运行和驱动器失效功能。RS-232 引脚上的 ±10kV ESD 保护可防止在工作期间可能遇到的静电放电,这免除了外部组件的需要。

      

一、LTC2802功能和特点:


      1.8V至5.5V电源电压

       单通道收发器

      高速操作

      对于 250pF/3kΩ 负载为 1Mbps

      对于1nF/3kΩ负载为250kbps

      对于2.5nF/3kΩTIA/EIA-232-F负载为100kbps

      低功率1μA停机模式和15μA接收器运行模式

      在RS-232接口上不会发生损坏或锁断(至±10kVESD)

      逻辑电源引脚用于实现至UART或微处理器的简易型电平移位

      低延迟输出使能实现了线路共享和半双工操作

      真正符合RS-232标准的输出电平

 

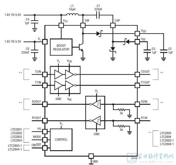
二、LTC2802引脚功能


三、LTC2802内部方框图


四、LTC2802典型应用电路