所有接收器都有1/8单位负载,支持多达256个总线器件,同时在整个共模范围内,所有驱动器在停止工作或电源去除时都保持高输出阻抗。通过在所有输出端上进行限流以及采用热关断电路,可以阻止由于总线争用或故障而引起过大的功耗。已采用5V电源工作的LTC2859/LTC2861 RS485收发器可起到补充作用。
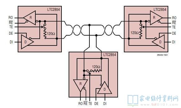
RS485网络要求最终用户根据双绞线物理布局和节点放置安装120Ω终止电阻。如果总线延长或重新配置,最终用户必须再次改变终止电阻位置。通过在软件的控制下使集成终端电阻接通或关断,使得能够在无需最终用户实际干预的情况下完成正确节点的终接。采用半双工工作模式。
一、LTC2854功能和特点:
集成逻辑可选的120Ω终端电阻器
3.3V电源电压
20Mbps最大数据速率
在高达±25kVHBM的条件下未发生损坏或锁断现象
高输入阻抗支持256个节点(C、I等级)
工作温度高达125℃(H等级)
整个共模范围内的保证故障保险接收器操作
电流受限驱动器和热停机
延迟微功率停机:最大电流消耗为5μA(C、I等级)
上电/断电无干扰驱动器输出
低工作电流:接收模式中的典型值为370μA
符合TIA/EIA-485-A规范
二、LTC2854引脚功能
三、LTC2854内部方框图

四、LTC2854典型应用电路
网友评论