概述:采用焊球间距为0.4mm的2.44mm x 2.67mm x 0.64mm、WLP封装。是高频、开关模式充电器,用于单节锂离子(Li+)或锂聚合物(Li-Poly)电池。器件从3.4V至6.3V (MAX8900A)或3.4V至8.7V (MAX8900B)电源产生高达1.2A的电流为电池充电。3.25MHz开关模式充电器能够使用极小的元件并具有极低的发热。 

   可承受高达+22V以及低至-22V的输入电压。电池保护功能包括低压预充、充电器故障定时器、管芯温度监测和电池温度检测。电池温度监测按照JEITA*规范规定的安全使用可充电锂离子电池的要求调节充电电流和终止电压。

充电器参数可以方便地通过外部元件调节。外部电阻能够将充电电流设置在50mA至1200mA范围内。可以利用另一外部电阻设置预充门限和充电终止电流门限,门限范围介于10mA至200mA。充电终止电流门限可以在10mA下达到±1mA的高精度。充电定时器可通过外部电容调节。

一、MAX8900功能和特点:      

     工作在3.25MHz开关频率的Li+/Li聚合物电池充电器

电池温度监测器按照JEITA要求调节充电电流和终止电压

4.2V±0.5%电池调节电压(可根据需要订购4.1V电压的产品)

可调节充电终止电流门限

10mA至200mA可调

10mA时精度可达±1mA

高效率、低功耗

采用2.0mmx1.6mm电感

提供正、负输入电压保护(±22V)

高达+20V的工作电压范围(可根据需要订购其它OVLO范围的产品)

支持无电池工作

故障定时器

充电状态指示输出


二、MAX8900引脚功能


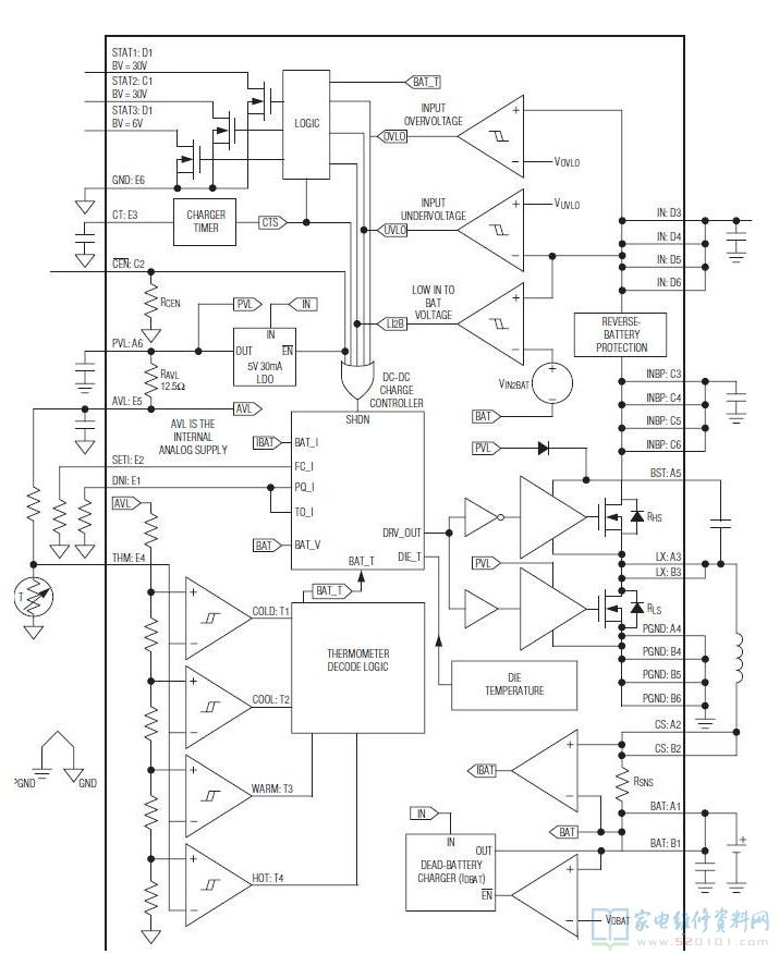
三、MAX8900内部方框图


四、MAX8900典型应用电路