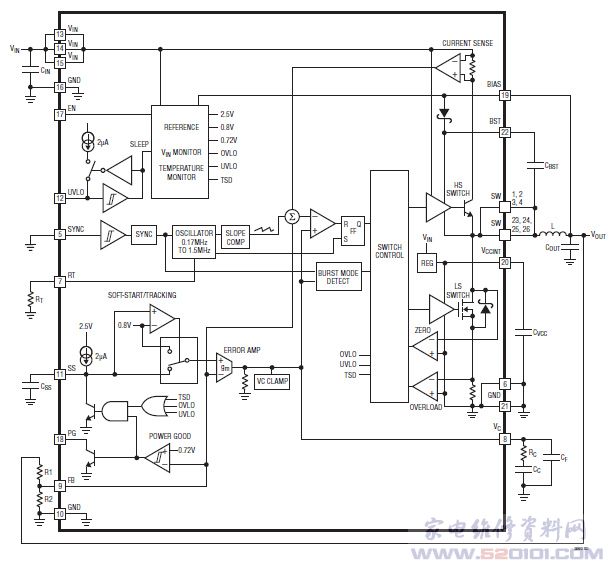
概述:LT3690采用小外形的耐热性能增强型 4mm x 6mm QFN26脚封装。该器件在效率高达 93% 时,可提供高达 4A 的连续输出电流。在 3.9V 至 36V 的 VIN 范围内工作,提供 60V 瞬态保护。LT3690 的突发模式 (Burst Mode®) 工作仅需要 70uA 的静态电流。开关频率从 170kHz 到 1.5MHz 是用户可编程的。 采用一个高效率 5.5A、90mΩ 高压侧开关,必要的升压二极管、振荡器、控制和逻辑电路都集成到单个芯片中。30mΩ 内部同步电源开关提高了效率,并且不再需要外部箝位肖特基二极管。低纹波突发模式工作可在低输出电流情况下维持高效率,同时保持输出纹波低于 15mVPK-PK。特殊设计方法使得在宽输入电压范围内实现了高效率,而且该器件的电流模式拓扑实现了快速瞬态响应和卓越的环路稳定性。其它特点包括外部同步 (从 170kHz 到 1.5MHz)、电源良好标记和坚固的短路保护。
一、LT3690功能和特点:
●宽输入范围:
-工作于3.9V至36V
-过压闭锁功能可保护电路安全承受60V瞬态电压
●4A最大输出电流
●集成型30mΩN沟道同步开关
●低纹波(<15mVP-P)突发模式(BurSTMode?)操作:IQ=70μA(在12VIN至3.3VOUT)
●可编程输入欠压闭锁
●0.8V反馈基准电压
●输出电压:0.8V至20V
●可编程和可同步振荡器(170kHz至1.5MHz)
●软启动和输出电压跟踪
●坚固的抗短路性能
●电源良好标记



网友评论