一、LTC2855功能和特点:
集成逻辑可选的120Ω终端电阻器
3.3V电源电压
20Mbps最大数据速率
在高达±25kVHBM的条件下未发生损坏或锁断现象
高输入阻抗支持256个节点(C、I等级)
工作温度高达125℃(H等级)
整个共模范围内的保证故障保险接收器操作
电流受限驱动器和热停机
延迟微功率停机:最大电流消耗为5μA(C、I等级)
上电/断电无干扰驱动器输出
低工作电流:接收模式中的典型值为370μA
符合TIA/EIA-485-A规范
二、LTC2855引脚功能
三、LTC2855内部方框图

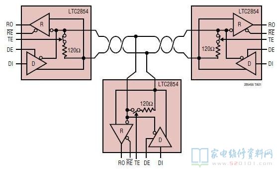
四、LTC2855典型应用电路
网友评论