概述:LTC2924采用16引脚窄式SSOP封装。具有关机引脚或使用外部串联 N 沟道 MOSFET 的模块。可在加电和断电时监视输入并实现 4 个电源的排序,组成了简单、灵活和紧凑的解决方案。为特定应用定制的 LTC2924 无需软件,即可在系统集成期间简单地通过改变电阻器和电容器的值进行精调设计。

多个 LTC2924 能够很容易地级联起来,以对 8 个、12 个或几乎无限数量的电压排序。此外,单个也可用最少的外部电路对 6 个电源排序。具有精确的 1% 输入监视和通用排序能力,非常适用于有多个电源的系统,如电信设备、光系统、服务器和基站等。
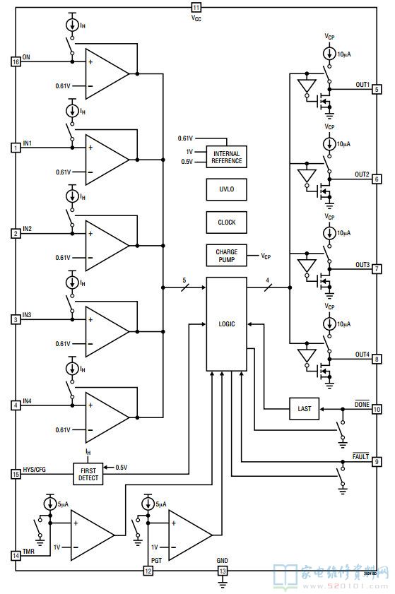
LTC2924 丰富的功能可极大简化电源排序工作。在使用模块或无使能输入的 DC/DC 转换器设计方面,内部稳压的充电泵为 DC/DC 转换器之后的串联 MOSFET 提供栅驱动电压。

      TIMER 引脚在一个电源的接通操作完成到下一个电源的使能之间提供了一个任选延迟。电源良好定时器负责设定一个电源在其被使能之后允许接通的时间,并在一个电源未能在分配的时间间隔之内进入调节状态的情况下确定故障的发生。DONE 引脚负责向系统控制器报告电源排序成功完成。

一、LTC2924功能和特点:
      可对4个电源进行完整的排序
      -只需采用极少的外部电路即可实现对6个电源的排序
      可通过级联来实现对更多电源的排序
       能够以与上电序列相反的顺序来关断电源或同时关断电源
      充电泵用于驱动外部MOSFET
      可在未采用外部上拉电阻器的情况下驱动电源停机引脚
      可对两个或更多的电源进行排序和监视
       10uA输出电流实现了电源的软启动
       用于表示上电和断电完成的指示器
       电源之间的可调延时
       电源良好定时器

      电源电压监视以及电源排序错误检测和报告


二、LTC2924引脚功能


三、LTC2924内部方框图


四、LTC2924典型应用电路