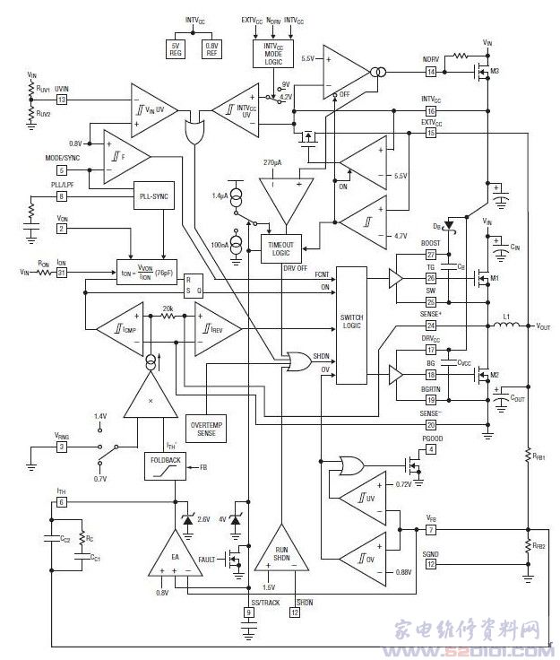
概述:LTC3810H-5采用5mmx5mmQFN-32封装。为高输入电压同步降压型 DC/DC 控制器,该器件在气温高达150°C 时有保证的性能规格。运用恒定接通时间谷值电流模式控制架构,无需检测电阻器且可以准确的逐周期限流提供了非常小的占空比和极快的瞬态响应。能够直接将电压从60V 降至一个数值范围为0.8V 至93% VIN 的输出电压。强大的1Ω 内置栅极驱动器最大限度地减少了由于以高频和高电压驱动 N 沟道 MOSFET (旨在提供高达 25A 的输出电流) 所引起的开关损耗。应用包括电信和数据通信中的 48V 功率转换、以及容易遭受高浪涌电压的汽车和工业系统。 具有可设置为低至100ns 的可调最短接通时间,从而在高频时实现了高降压比。工作频率从 100kHz 至 1MHz 是可选的,或可同步至一个同样范围的外部时钟。还可以配置为脉冲跳跃工作模式,以在轻负载时保持高频率。其他特点包括可编程软启动或跟踪、可调逐周期限流、输出过压保护、电源良好输出信号和可编程欠压闭锁。
一、LTC3810H-5功能和特点:
·保证工作在-40°C至150°C的节温范围
·能以高达60V的输入电压工作
·0.8V至0.93VIN的宽输出电压范围
·同步整流
·低至100ns的可调短恒定接通时间
·谷值电流模式控制
·大的1Ω栅极驱动器
·无需电流检测电阻器
·电源良好输出信号
·可调逐周期限流
·100kHz至1MHz的可选频率或可同步至外部时钟
·可选脉冲跳跃或连续工作模式



网友评论