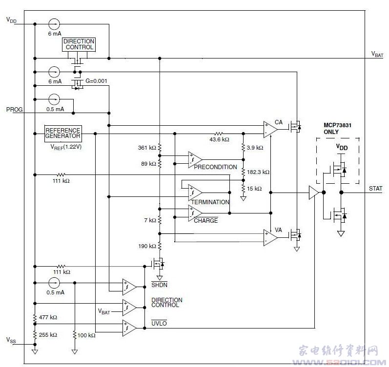
概述:MCP73831采用8引脚2x3mmDFN或5引脚SOT23封装,反向放电保护,高精度的预设置电压调整为=0.75%,有四个可调整电压选择:4.20V,4.35V,4.40V和4.50V,可编程充电电流,可选择的预处理条件,可选择充电终结控制,自动的降功耗,热调整,工作温度-40度到85度。
| 引脚 | 符号 | ||
| DFN | SOT23 | ||
| 1 | 4 | VDO | 电源输入端,4.5~6V |
| 2 | - | VDD | 电源输入端,4.5~6V |
| 3 | 3 | VBAT | 接充电电池正极 |
| 4 | - | VBAT | 接充电电池正极 |
| 5 | 1 | STAT | 充电状态信号输出端(三态输出) |
| 6 | 2 | Vss | 电源负端。地 |
| 7 | - | NC | 空脚 |
| 8 | 5 | PROG | 恒流充电电流设定端。可用作使能端 |



网友评论