概述:TAS5424A采用44脚封装,特点如下:4声道模拟输入D类功放,输出功率(THD=10%)每声道28W(4Ω,4V)、45W(2Ω,14.4V)、58W(4Ω,21V)、116W(2Ω,21V,BTL接法),效率90%以上,末级FET导通电阻75mΩ,符合汽车行业规则CISPR25标准5的无辐射对策,内藏防噪声干扰AM收音功能。
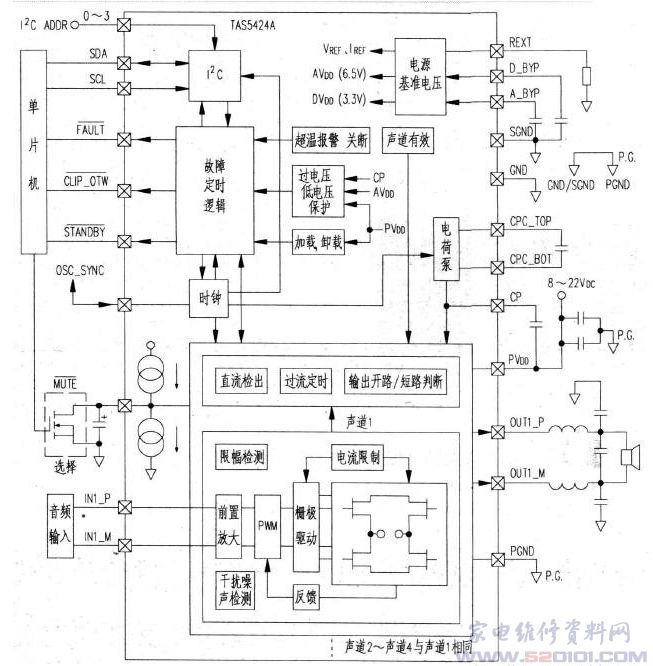
过流保护电路OCSD。当输出端PVDD与地短路时,保护电路动作。##直流检出电路。
如在输出端子上检测出直流电压,保护门限值和保护方法由I2C设定。
限幅检出电路。如检测到输出波形被限幅,音量自动降低,避免限幅。
超温报警OTW和超温保护OTSD。当芯片温度超过125℃时,将超温报警,一旦超过155℃,超温保护动作,输出端子变成Hi-Z模式。
电压不足保护。如果PVDD、AVDD、CP(ChargePump)的电压过低时,进入保护模式。
过电压保护。当PVDD为23V~29V时,过电压保护动作,输出进入Hi-Z模式;达到29V~50V时,IC被关断。
可以选择357kHz、417kHz、500kHz三个开关频率,对应表的AM广播频段作改变,以免干扰广播电台。




网友评论