概述:SH66L16采用COB裸片封装,其工作电压:1.2V-1.7V。

一、SH66L16功能和特点:     
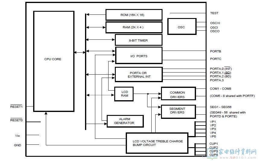
  基于SH6610C带LCD驱动器的4位单片微控制器
  ROM:16KX16位(bank切换)
  RAM:2KX4位(系统控制寄存器,bank切换数据存储器&LCDRAM)
  12CMOSI/O管脚
  4层堆栈(包括中断)
  1个8-位带有预分频电路定时器
  4层优先级中断源:
  -外部中断(下降沿触发)
  -时基定时器中断
  -定时器0中断
  -PortB & PortC中断(下降沿触发)
  系统时钟源:200KHzRC或32.768KHz晶体振荡器通过代码选项.(参考代码选项)
  指令周期:
  4/200KHz(20us)对于200KHz RC
  4/32.768KHz(122?s)对于32.768KHz晶体振荡器
  时基定时器时钟源:32.768KHz晶体振荡器或32KHz
  RC通过代码选项.(参考代码选项)
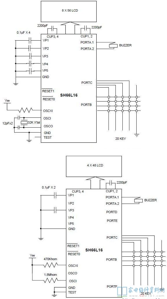
  LCD驱动器:
  最大:8X56(1/8占空比,1/4偏压)(4common与PORTF共享)(8segment与PORTD,E共享)
  最小:4X48(1/4占空比,1/3偏压)
  内建三倍充电升压电路
  内建闹铃信号发生器(载波频率:2KHzor4KHz.通过系统寄存器选择)
  两种低功耗工作模式:HALT和STOP
  低功耗
  提供软件程序邦定选项

  看门狗定时器


二、SH66L16引脚功能


三、SH66L16内部方框图


四、SH66L16典型应用电路


五、仿真板应用指南

仿真板应用指南.pdf