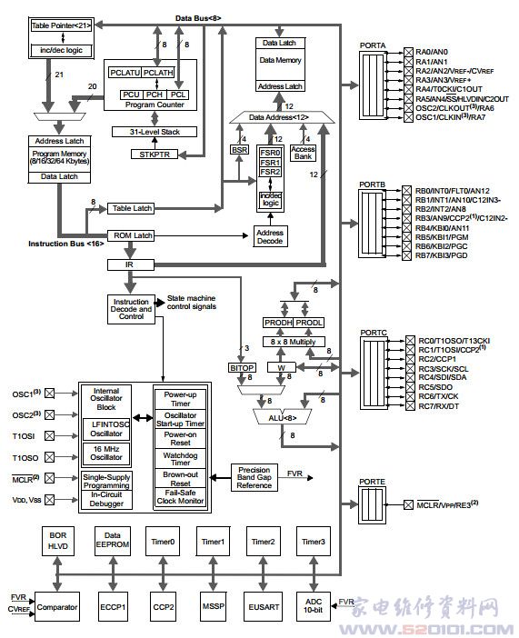
一、PIC18F23K20功能和特性如下:
◆ 针对C编译器优化的架构:
*为优化可重入代码而设计的可选扩展指令集
◆ 16位宽指令,8位宽数据总线
◆ 中断优先级
◆ 31级深、软件可访问的硬件堆栈
◆ 8×8单周期硬件乘法器
◆ 工作电压范围:1.8V至3.6V
◆ 可在软件控制下自编程
◆ 可编程16级高/低压检测(High/Low Voltage Detection,HLVD)模块:
*高/低压检测中断
◆ 可编程欠压复位(Brownout Reset,BOR):
*带软件使能选项
◆ 扩展型看门狗定时器(Watchdog Timer,WDT):
*可编程周期从4ms到131s
◆ 通过两个引脚进行单电源3V在线串行编程(InCircuitSerial Programming(TM),ICSP(TM))
◆ 通过两个引脚进行在线调试(InCircuitDebug,ICD)
◆ 休眠模式:1.8V时<100nA
◆ 看门狗定时器:1.8V时<800nA
◆ Timer1振荡器:32kHz、1.8V时<800nA
◆ 模数转换器(Analogto Digital Converter,ADC)模块:
*10位分辨率,13路外部通道
*自动采集功能
*可在休眠模式下进行转换
*1.2V固定参考电压(Fixed Voltage Reference,FVR)通道
*独立的输入多路选择
◆ 模拟比较器模块:
*两个轨到轨模拟比较器
*独立的输入多路选择
◆ 参考电压(CVREF)模块
*可编程(VDD的%),16阶
*使用VREF引脚的两个16级电压范围
◆ 最多35个I/O引脚加上1个仅用作输入的引脚:
*高灌/拉电流:25mA/25mA
*3个可编程外部中断
*4个可编程电平变化中断
*8个可编程弱上拉
*可编程斜率
◆ 捕捉/比较/PWM(Capture/Compare/PWM,CCP)模块
◆ 增强型CCP(ECCP)模块:
*1、2或4路PWM输出
*可选择的极性
*可编程的死区
*自动关闭和自动重启
◆ 主同步串行口(Master Synchronous SerialPort,MSSP)模块
*3线SPI(支持所有4种模式)
*I2C(TM)主/从模式(带地址掩码)
◆ 增强型通用同步/异步收发器(Enhanced Universal Synchronous Asynchronous Receiver Transmitter,EUSART)模块:
*支持RS485、RS232和LIN
*使用内部振荡器的RS232工作
*接收到间隔字符时自动唤醒
*自动波特率检测
◆ 封装与引脚:SPDIP28,SOIC28,SSOP28,QFN28,UQFN28


网友评论