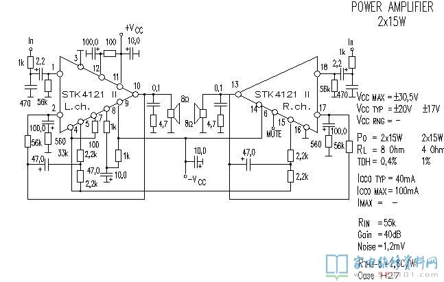
概述:STK4121II是三洋半导体公司出品的一款双通道音频功率放大器IC芯片,其最大工作电压30.5V,在典型工作电压20V时,其每通道输出功率为15W。
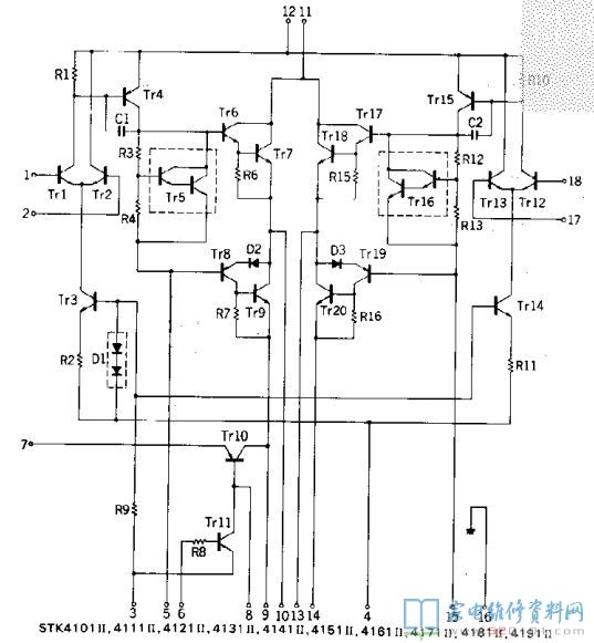
一、STK4121II内部等效电路
二、STK4121II典型应用电路
三、STK4121II极限参数
四、STK4121II电气参数
概述:STK4121II是三洋半导体公司出品的一款双通道音频功率放大器IC芯片,其最大工作电压30.5V,在典型工作电压20V时,其每通道输出功率为15W。
一、STK4121II内部等效电路
二、STK4121II典型应用电路
三、STK4121II极限参数
四、STK4121II电气参数
网友评论