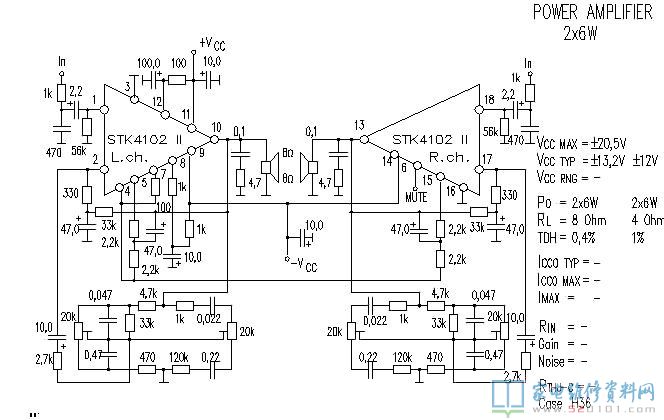
概述:STK4102II是三洋半导体公司早期出品的一款双通道音频功率放大器IC芯片,其最大工作电压20.5V,在典型工作电压13.2V时,其每通道输出功率为6W。
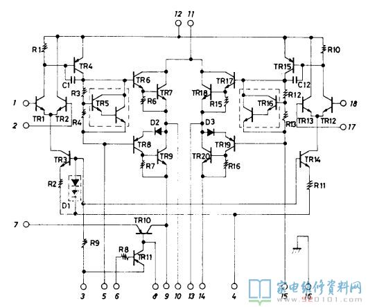
一、STK4102II内部等效电路
二、STK4102II典型应用电路
三、STK4102II极限参数
四、STK4102II电气参数
概述:STK4102II是三洋半导体公司早期出品的一款双通道音频功率放大器IC芯片,其最大工作电压20.5V,在典型工作电压13.2V时,其每通道输出功率为6W。
一、STK4102II内部等效电路
二、STK4102II典型应用电路
三、STK4102II极限参数
四、STK4102II电气参数
网友评论