概述:TM320240E电路为一款单色图形点阵液晶显示模块,可以显示320×240点阵的图形,也可以显示20×15个汉字(16×16点阵)。其驱动芯片为SED1335。SED1335是日本EPSON公司出品的液晶显示控制器,在同类产品中功能较强:有较强功能的I/O缓冲器;指令功能丰富;四位数据并行发送;图形和文本方式混合显示。SED1335的应用非常广泛,目前市场上的320×240图形点阵液晶模块多数都是采用这一款驱动芯片。
一、SED1335指令集
SED1335有13条指令,多数指令带有参数,如表1所示。
以上参数值由用户根据所控制的液晶显示模块的特征和显示的需要来设置。
SED1335接收到来自MPU系统的指令与数据后,产生相应的时序和数据来控制液晶模块的显示。除SLEEP IN、CSRDIR、CSRR和MREAD外,任何一条指令的执行都发生在附属参数输入完成之后。MPU可用写入新的指令代码来结束上一条指令参数的写入。MPU可用写入新参数与余下的旧参数有效地组合成新的参数,但是所写参数的顺序不能改变,也不能省略。
二、硬件接口电路
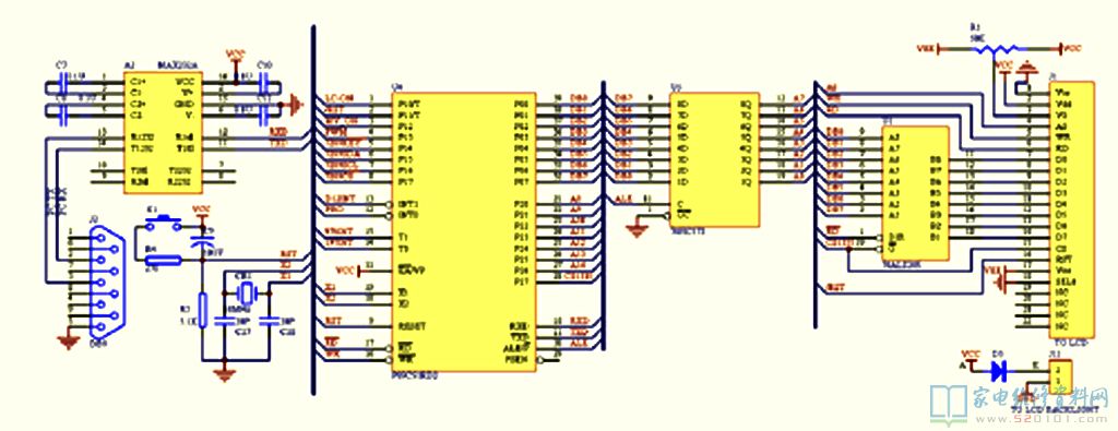
TM320240E与51单片机的硬件接口电路如下图所示。
TM320240E的SEL1(18脚)为微处理器接口选择端,接高电平时为MC68000单片机接口时序,接低电平为51系列单片机接口时序;A0(4脚)为命令/数据选择端,1为命令,0为数据;V0(3脚)为对比度电压输入端。本系统中,为了防止系统内其他部件引起总线上有大电压脉冲对LCD造成损害,采用了一片8位双向总线驱动芯片74ALS245将LCD的数据总线与系统总线进行了隔离驱动,可以在一定程度上对液晶模块进行保护。
此外,关于液晶对比度调节电压的产生,TM320240E模块自带了负压输出(VEE,17脚),但是也有一些320240模块没有此电压,这时可以采用图2所示电路,利用一片MAX749来产生负压,此电路在笔者以前的设计中应用过,且效果较好。
MAX749负压产生电路图
三、接口程序设计
SED1335与51单片机的接口程序设计非常简洁方便。在硬件系统上电复位后,单片机根据液晶模块的参数(如液晶的行数、列数、扫描频率等)和需要的显示方式等,设置各个指令的参数来初始化系统,之后就可以由单片机把数据直接送给SED1335的显示缓存,SED1335就可以控制液晶显示。如果在后面需要改变显示的图形或文字,只要对应表1 中的指令改变相应指令的参数,然后重新输入数据即可实现。
设置系统命令参数或送数据给显示缓冲区的方法是:先将指令代码送到SED1335的命令口地址,然后把该指令的参数送到数据口地址后即可把数据送到数据口地址。

网友评论