概述:K24C64-SCRGA是一款串行接口电可擦写存储器,它采用贴片8脚封装,工作电压范围为1.8V~5.5V。容量64K(8192×8);每页256字节是不分页;最大块长度32字节;硬件写保护区域高2K字节;每一串行总线最多可连接器件数量为8。
一、K24C64-SCRGA引脚功能
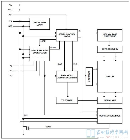
二、K24C64-SCRGA内部方框图
概述:K24C64-SCRGA是一款串行接口电可擦写存储器,它采用贴片8脚封装,工作电压范围为1.8V~5.5V。容量64K(8192×8);每页256字节是不分页;最大块长度32字节;硬件写保护区域高2K字节;每一串行总线最多可连接器件数量为8。
一、K24C64-SCRGA引脚功能
二、K24C64-SCRGA内部方框图
网友评论