概述:MAX15004是一款热增强型16引脚TSSOP-EP封装。所有器件都可工作于-40°C至+125°C汽车级温度范围。


一、MAX15004功能和特点:   


●宽输入电压范围工作:4.5V至40V

●工作电压低至2.5V(使用自举VCC偏置)

●电流模式控制

●限流门限电压低至300mV,精度为5%

●内置误差放大器和精度为1%的基准

●开关频率可通过RC编程,精度为4%

●开关频率可调范围:1MHz

●外部频率同步

●最大占空比50%

●可编程斜率补偿

●10uA关断电流

●逐周期限流保护

●过压和过热关断保护

●从-40°C至+125°C汽车级温度范围


二、MAX15004引脚功能


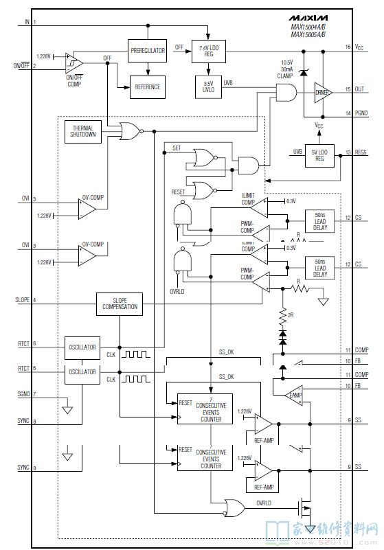
二、MAX15004内部方框图


三、MAX15004典型应用电路