本文所附深信源SXY-983型空调电控板电路图系笔者依照实物测绘而成(元器件编号为笔者所加)。
一、主要性能
1.兼容253、285、388、09LV、09NV、903、973多功能60、148等遥控器功能。
2.抗干扰能力强,温度检测灵敏、精确。
3.压缩机三分钟延时,制热防冷风,强、中、弱三挡风速任意选择,自动,制冷、制热(暖)、抽湿、通风等五种工作模式可供选用。特别适合分体式冷、暖型空调的改装,修理。
二、电控板基本电路及主要功能测试
1.IC1(CPU)的基本电路,见图1。
CPU的型号为EM78P447MAP,双列28脚。①脚Vdd,+5V工作电压输入端,②脚(RES)复位端,正常工作时为5V。26、27脚外接4.0MHz晶振。用MF47型指针式万用表测量时电压分别为2.8V和0.6V;而用DT890D数字式万用表测量时,电压分别为2.4V和2.27V。④脚为接地端。
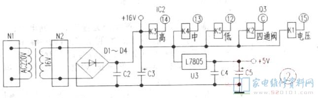
2.电源供电电路,见图2。
220VAC经变压器T降压,次级为16.6V,经D1~D4整流,C2、C3滤波后得16V直流电压,一路供K1~K5五个继电器等使用;另一路经L7805稳压,C4、C5滤波后,获得+5V供CPU使用。
3.CPU与IC2的联动测试,见图3。
(1)制冷功能的测试。把220VAC电源线直接接到变压器T的初级绕组上(不要通过插座N1),接口用电工胶布包裹好(绝缘)。在电控板接通AC16.6V电源的一瞬间,蜂鸣器发出“嘀”的一声后:1)按遥控器开机键,绿色LED指示灯亮:2)选制冷模式“*”;3)选择最高风速“|||||”挡;4)设置制冷温度24℃(注:当时室内温度为17℃,于是用吹风机加热测温头)。等待(延时)三分钟后,若听到继电器K3、K1的吸台声;或用MF-47型指针式万用表测量、验证K3、K1的常开触点闭合,常闭触点断开,则说明压缩机、风机得电工作。这时,用DT890D数字万用表测得IC1和IC2有关引脚的正常电压值见附表。

(2)制热(暖)功能的测试。
CPU 22脚是四通阀的驱动控制端口。把遥控器转换到制暖“※”工作模式,设置温度仍为24℃。当22脚输出4.52v高电平脉冲时,Q3导通,K2吸合,电压输住四通阀。
4.应急开关(手控开关)的测试,见图4。除用遥控器上的开停键操作外,按动电控板上的手控微动开关时,也应听到继电器吸合和断开时发出的“滴答”声,绿色LED指示灯也随之亮、灭,机器肩、停操控自如。
网友评论