晶闸管,又称可控硅(单向SCR、双向BCR)是一种4层的(PNPN)三端器件。在电子技术和工业控制中,被派作整流和电子开关等用场。在这里,笔者介绍它们的基本特性和几种典型应用电路。
1. 锁存器电路。 图1是一种由继电器J、电源(+12V)、开关K1和微动开关K2组成的锁存器电路。当电源开关K1闭合时,因J回路中的开关K2和其触点J-1是断开的,继电器J不工作,其触点J-2也未闭合,所以电珠L不亮。一旦人工触动一下K2,J得电激活,对应的触点J-1、J-2闭合,L点亮。此时微动开关K2不再起作用(已自锁)。要使电珠L熄灭,只有断开电源开关K1使继电器释放,电珠L才会熄灭。所以该电路具有锁存器(J-1自锁)的功能。
图2电路是用单向可控硅SCR代替图1中的继电器J,仍可完成图1的锁存器功能,即开关K1闭合时,电路不工作,电珠L不亮。当触动一下微动开关K2时,SCR因电源电压通过R1对门极加电而被触发导通且自锁,L点亮,此时K2不再起作用,要使L熄灭,只有断开K1。由此可见,图2电路也具有锁存器的功能。图2与图1虽然都具有锁存器功能,但它们的工作条件仍有区别:(1)图1的锁存功能是利用继电器触点的闭合维持其J线圈和L的电流,但图2中,是利用SCR自身导通完成锁存功能。(2)图1的J与控制器件L完全处于隔离状态,但图2中的SCR与L不能隔离。所以在实际应用电路中,常把图1和图2电路混合使用,完成所需的锁存器功能。
2. 单向可控硅SCR振荡器。 图3电路是利用SCR的锁存性制作的低频振荡器电路。图中的扬声器LS(8Ω/0.5W)作为振荡器的负载。当电路接上电源时,由于电源通过R1对C1充电,初始时,C1电压很低,A、B端的电位器W的分压不能触发SCR,SCR不导通。当C1充得电压达到一定值时,A、B端电压升高,SCR被触发而导通。一旦SCR导通,电容器C1通过SCR和LS放电,结果A、B端的电压又下降,当A、B端电压下降到很低时,又使SCR截止,一旦SCR截止,电容器C1又通过R1充电,这种充放电过程反复进行形成电路的振荡,此时LS发出响声。电路中的W可用来调节SCR门极电压的大小,以达到控制振荡器的频率变化。按图中元件数据,C1取值为0.22~4μF,电路均可正常工作。
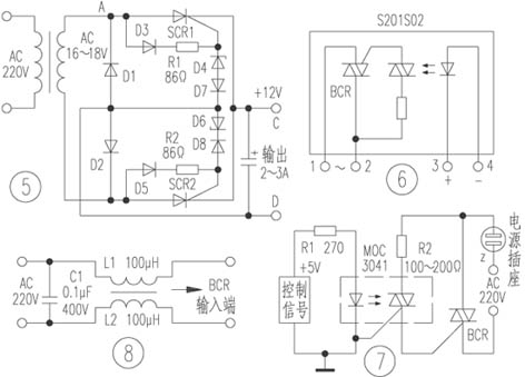
3. SCR半波整流稳压电源。 如图4电路,是一种输出电压为+12V的稳压电源。该电路的特点是变压器B将220V的电压变换为低压(16~20V),采用单向可控硅SCR半波整流。SCR的门极G从R1、D1和D2的回路中的C点取出约13.4V的电压作为SCR门阴间的偏置电压。电容器C1起滤波和储能作用。在输出CD端可获得约+12V的稳压。
电路工作时,当A点低压交流为正半周时,SCR导通对C1充电。当充电电压接近C点电压或交流输入负半周时,SCR截止,所以C1上充得电压(即输出端CD)不会高于C点的稳压值。只有储能电容C1输出端对负载放电,其电压低于C点电压时,在A点的正半周电压才会给C1即时补充充电,以维持输出电压的稳定。图4电路与电池配合已成功用于某设备作后备电源。该稳压电源,按图中参数其输出电流可达2~3A。
4. SCR全波整流稳压电源。 上述的半波整流稳压电源,其缺点是电源的效率低,其纹波也较大。图5的SCR全波整流稳压电源,完全克服了上述的缺点。该电路的输出电压也为12V(也可改接成其他电压输出)。该电路实际是由(上期第十一版)图4的两个半波整流和稳压电路组合而成。D1、SCR1、D4等工作在交流的正半周;D2、SCR2、D6等工作在交流的负半周,他们共同向输出的C、D端提供电流。电路中的D3、D5起隔离作用,即D3是防止A点交流负半周时,其电流通过R1;D5是防止A点交流正半周时,其电流通过R2的。电路的其他工作过程与上期图4相同。
5. 双向可控硅和固体继电器(SSR)。 利用双向可控硅BCR制作调光器是BCR最常见的应用,这里不再复述。笔者剖析过一种Sharp(夏普)固体继电器SSR(S201S02型)产品的内部电路,以此说明BCR的应用,如图6所示。由图可见,该SSR产品是由双向可控硅BCR和光耦合交流过零触发电路共同组成的,因此该SSR的效率高(即功耗小)、自身引起的电噪声(脉冲式干扰)很小。利用图6的内部电路,读者完全可以自制SSR,并把他应用到控制电路中,如图7可控制交流(220V)电源的插座电路。图中的光耦合器MOC3041为BCR提供交流过流触发信号。一般MOC3041的输入控制电流约20mA,所以当控制信号为5V时,其限流电阻取270Ω。图中的R2是控制BCR门极(G)触发电流的,该值应随使用BCR型号而调整的,一般6A/700V的BCR,其G极所需的触发电流约10mA,即可可靠触发BCR工作。图中的Z为交流电源插座。当图7中的控制信号输出5V电平时,BCR导通,Z上即有220V的电压输出,反之,Z无输出电压。
6. 抑制RF干扰的辅助电路 当电路中使用了可控硅作多种控制电路时,一般应附加抑制RF干扰的辅助电路,尤其是使用了双向可控硅的电路。一般抑制RF干扰的电路是加在交流电源的输入端,如图8所示。电路中的电感L1、L2和电容器C1的值已在图中标注。
网友评论