故障现象:操作按键失效 

故障检修:拆下电脑板,经检查发现控制显示板上的导电薄膜按键SW1—SW5已损坏,有严重漏电,已无法修复。 

    因控制显示面板上的操作控制按键是用导电薄膜一次制成,发光二极管也是用贴片型的封装。因而一旦损坏而无法修复或难以购到时,可考虑自制。 
    制作步骤和方法: 
    (1)准备一块敷铜板,把已坏控制显示面板的排线拆下,将坏板按顺序重叠在敷铜板上,用钢笔在敷铜板上画出该控制板的形状,然后切除多余部分。 
    (2)再量准所有按键、发光二极管及定位孔的位置,并定位后按照该板上的线路用漆对应描在敷铜板上,用四氯化铁腐蚀成线路板。然后用手钻或台钻给元件位钻孔。 
    (3)用短柄轻触按键和小圆形发光二极管在电路板上逐一装好,然后焊上拆下的原排线。 


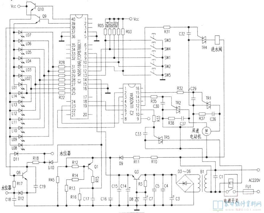
该款洗衣机电路图如下