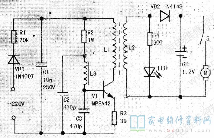
上海206电动剃须刀电路原理图见图1。

       例1:接通交流电源后LED指示灯不亮,电池充不上电,电机也不转动。该剃须刀内置一节5号1.2V/600mAh镍镉充电电池,VD1、R1、C1组成降压整流电路,在C1两端形成30V左右直流电压,VT、L3、C3、R3及变压器T组成高频自激振荡电路,频率约46kHz。R2、C2组成启动电路。产生本故障的原因有:(1)C1无30V电压,一般是VD1失效、R1脱焊开路或C1击穿漏电;(2)启动电路R2开焊或C2漏电,造成vT无法启动振荡;(3)VT、L3、C3、R3或T的L1开路、损坏。一般VT损坏较多见,VT的型号是MPSA42(或A42),主要参数BVceo=300V ,Prh=625mW ,Icm=650mA。另外,由于变压器T初级绕组用线很细,也容易折断开路。T采用EE11铁氧体磁芯,截面积3mm x 3mm,可用原线径和匝数重绕;(4)T的次级绕组开路或VD2(1N4148)不良。

       例2、电机转速慢且发烫。量不足和负载过重:(1)电量不足。当电量不足时电机转速会变慢,转速慢又会使电流增大,这样会形成恶性循环,所以应尽量避免欠电使用,电量不足有两种情况:一是拔下交流电源插头使用电池GB供电时,这种故障的原因是电池未充足或电池不良(应更换),电池GB或开关S触点接触电阻大;插上交流电源插头由市电供电C3漏电或VT性能改变;(2)负载重或电刷接触不良等。一般空载时出现本故障,肯定是刷片接触不好或整流端子间隙短路漏电(见飞利浦HS800A例2的检查和处理方法),经检查为电刷(磷铜片)损坏。因为该电机额定工作电压为1.2V,空载电流为0.8A,有负载(剃须)时电流达13A~15A,电刷打火比较严重,因此,厚度不足0.1mm的铜片电刷很容易腐蚀这段。从JRXB-1型继电器(4Z触点一四常开、四常闭)上拆取两片具有银合金触点的镀金电极,按原电刷尺寸弯折成型,分别焊在电机正、负电极上作电刷,安装还原后再用470nF电容和2200电阻串联后,并接在电机正、负极之间,用以消除电弧,然后通电试验,电极运转均匀有力,剃须效果如初。