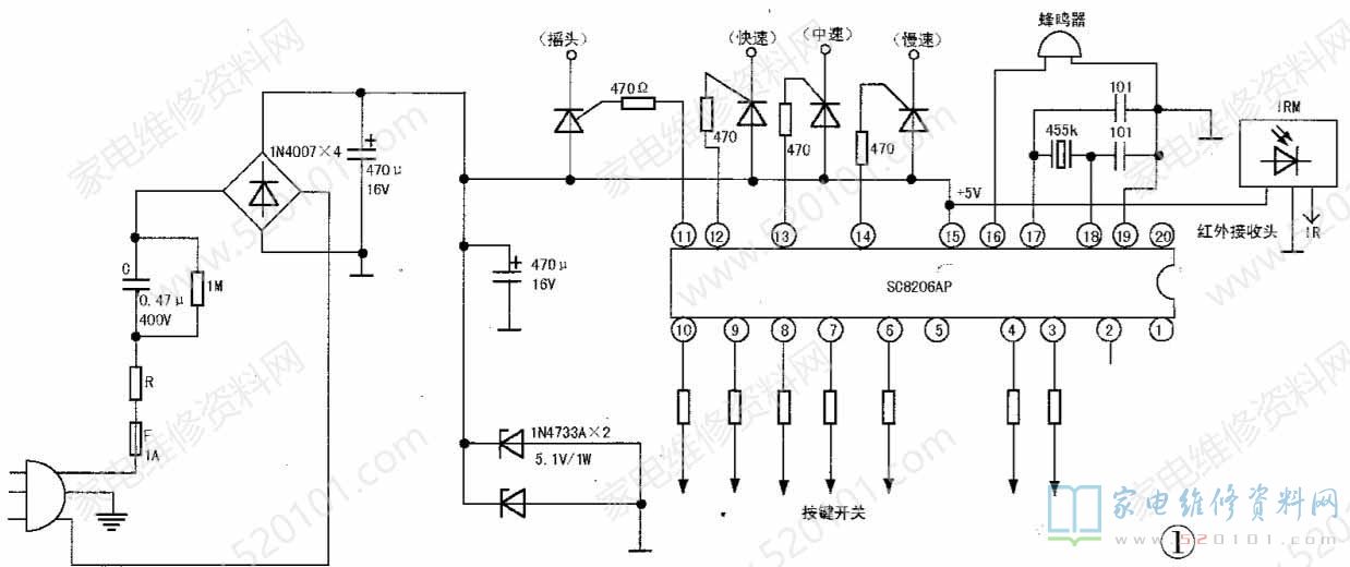
接修一台华田FS-40YK型遥控落地扇,插上电源按面板按键开关或用遥控器按键均不能开机,风扇不转。检查电源连线正常。拆开机壳,观察到机内电路板上有一支功率电阻烧焦,还有一支方形塑壳电容(标识0.47uF/400VAC)崩裂,用万用表测1N4733A(5V稳压二极管)击穿,图1为依据电路板元件实物绘制的电路,由图可以看出,市电经由保险丝F(1A),电阻限流,0.47uF电容和1MΩ电阻降压,1N4007X4二极管桥式整流,470uF电容滤波,两支1N4733A(5.1V/1W )稳压二极管并联稳压获得+5V直流电压,供给CPU芯片(SC8206AP )⑤脚电源端,芯片启动按设定程序工作。
参考电路可知,受损电容为降压电容,电阻为限流电阻,规格参数不明。分别取2.2Ω/3W电阻和474J/600V涤纶电容代换阻容元件,1N4733A仍用同型号稳压二极管代替。再测线路已无明显短路情况,通电试机,测得+5V输出正常。按面板开关,风扇运转。用遥控器试验,遥控失灵,检查电池电量正常,拆开遥控器,观察内部有进水痕迹。用酒精清洗线路板并用吹风机烘千后试机,遥控工作恢复正常。

网友评论