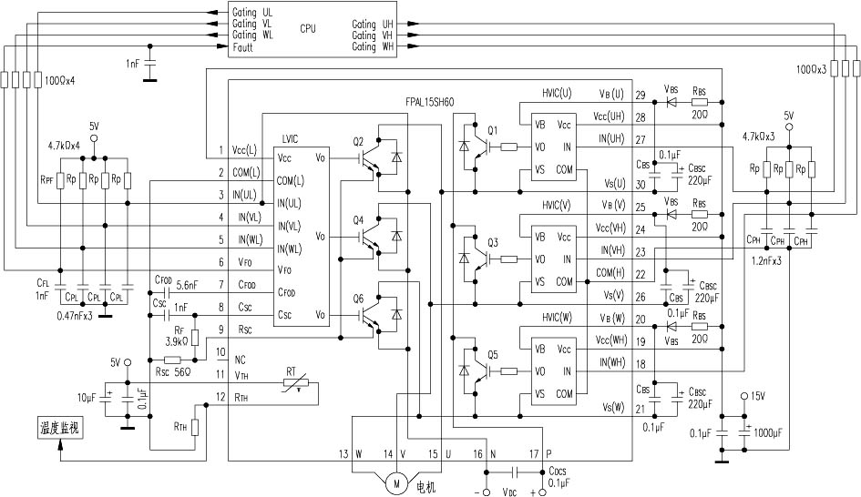
采用美国仙童公司生产的FPAL15SH60智能功能模块(SPM)设计的洗衣机AC电机三相DC-AC逆变器驱动电路如右图所示。
    FPAL15SH60型SPM的逻辑输入与CMOS或LSTTL输出兼容。由于这种SPM内置高压IC(HVIC),无需使用光耦合器或传输隔离便可直接与CPU耦合。15V的单电源偏置电压分别经SPM{1}和{19}脚、{24}及{28}脚施加,为低端的单片低压IC(LVIC)和高端三片HVICS提供工作电压。低端输入信号分别经SPM{3}、{4}脚和{5}脚传送到LVIC,高端输入信号分别经SPM的{27}、{23}和{18}脚传输到HVIC(U)、HVIC(V)和HVIC(W)。在SPM每一个输入上连接的RP/CPL及RP/CPH阻容元件,用作阻止输入信号振荡。LVIC用作驱动低端带电流传感功能的IGBT(称为sense-IGBT)Q2、Q4和Q6,同时提供短路电流保护。高端高压ICS[HVIC(U)、HVIC(V)和HVIC(W)]分别用作驱动高端IGBTS(Q1、Q3和Q5)。单片LVIC和三片HVICS都带有欠电压检测与保护功能。三相IGBT逆变器分别从SPM{13}脚(W相)、{14}脚(V相)和{15}脚(U相)输出,驱动外部的AC电机。SPM在100~253V交流电压下,额定输出功率是750W,额定输出电流为5A。
    DC电压从SPM{17}脚(P)和{16}脚(N)施加,为高端IGBTS提供偏置。高端每片HVIC的偏置电压脚(VB)和地(VS)之间在外部连接的电阻RBS、二极管DBS和电容CBS,组成自举操作电路。
    FPAL15SH60{7}脚外部电容CFOP,决定故障输出脉宽持续时间。{8}和{9}脚外部CSC、RF和RSC,组成短路保护电路。改变RSC阻值,可以调节电流保护电平。RSC与sense-IGBTS发射极相串联,用作感测低端sense-IGBTS的发射极电流。在SPM{11}与{12}脚之间,在内部设置了NTC热敏电阻,用作温度过载监测。热敏电阻在25℃下的阻值是50kΩ,在60℃和100℃下,阻值分别降至7kΩ和4kΩ。