一、0/12V切换开关制作
0/12V电压切换开关自制方案有电子开关子口继电器切换两种,继电器切换方案简单,自制成功率高,详见图1。注意:选择继电器,最好使用高频12V直流继电器,如采用普通继电器,损耗较大,需采取一定措施减少分布电容,如贴铝箔屏蔽接地,尽量缩短引线等措施。 
二、13/18V切换开关
图2是一款最简单的13/18V切换开关电路,采用微型直流12V继电器控制的有触点切换电路,笔者制作时,找了一只坏的二功分器,拆去里面的印刷电路板,只留下其外壳,将元件采用搭焊方式安装固定好,调试时,只需微调电位器RP,使得输入电压在17-18V时,继电器能够吸合即可。 
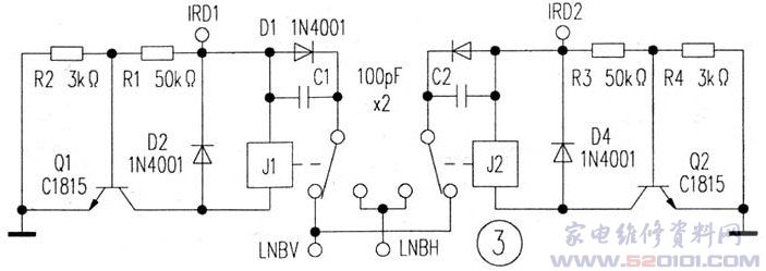
三、13/18V两路切换开关
图3为13/18V两路切换开关,它由两个13/18V单路切换开关和一个二功分器组合而成。电路原理:IRD1接口输入的切换电压送到切换开关时,如果选择的是V极化信号,输入电压为13V,由R1、R2分压后,三极管Q1的基极电压Vb<0.7V,Q1截止,继电器J1无电不动作,其常闭触点接通LNBV接口;当选择H极化信号时,输入电压为18V,Vb>0.7V,Q1导通,其常开触点接通LNB H接口,同理IRD2也是这样进行切换。二极管D1、D3,电容C1、C2组成二功分器,用于对两台接收机的输出电压进行隔离,以防止一台接收机未工作时,而受到另一台接收机的电压倒灌。
元件选择:J1、J2选择小体积微功耗的直流12V继电器,外壳采用一个带有四个接线端口的分配器屏蔽盒,拆去里面的零件,把制作好的装置放入里面,并注意绝缘。调试时,如果切换到H极化,继电器仍不动作时,可适当增大R2、R4的数值,直到极性切换时,继电器能自如切换。
网友评论