点击放大
IBM G50 显示器图纸(1)

点击放大
IBM G50 显示器图纸(2)

点击放大
IBM G50 显示器图纸(3)

点击放大
IBM G50 显示器图纸(4)

点击放大
IBM G50 显示器图纸(5)

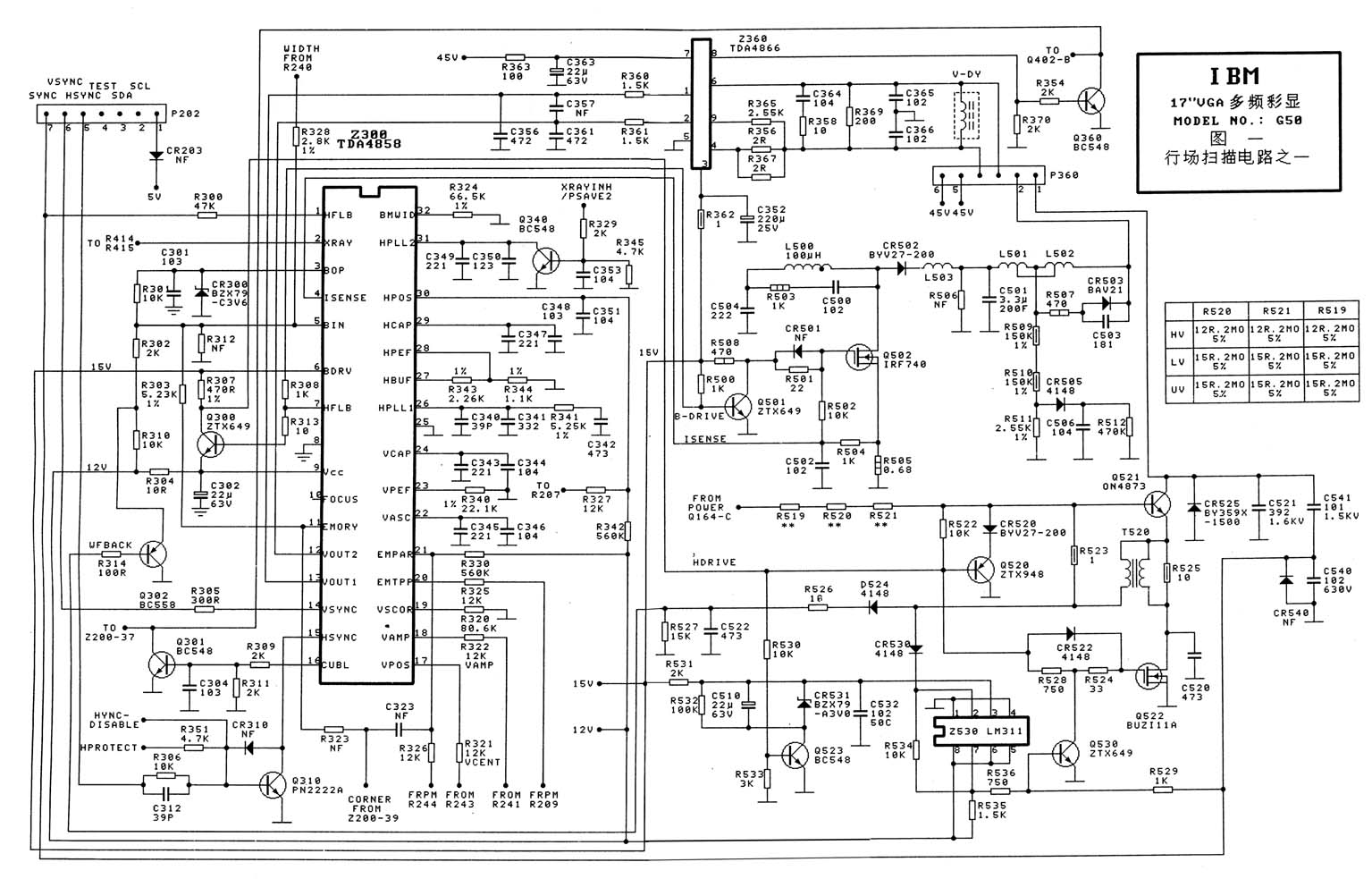
 点击放大
行扫描电路图1

点击放大
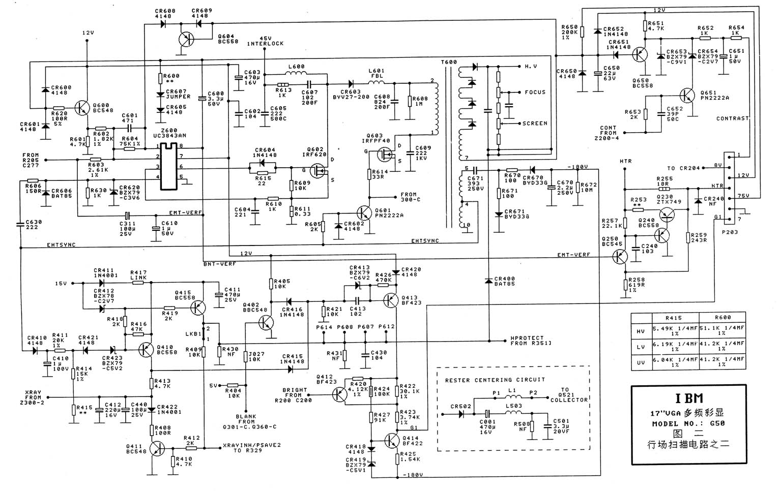
行扫描电路图2

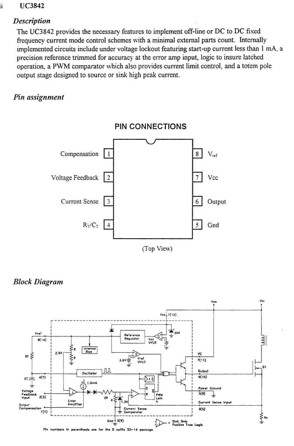
点击放大
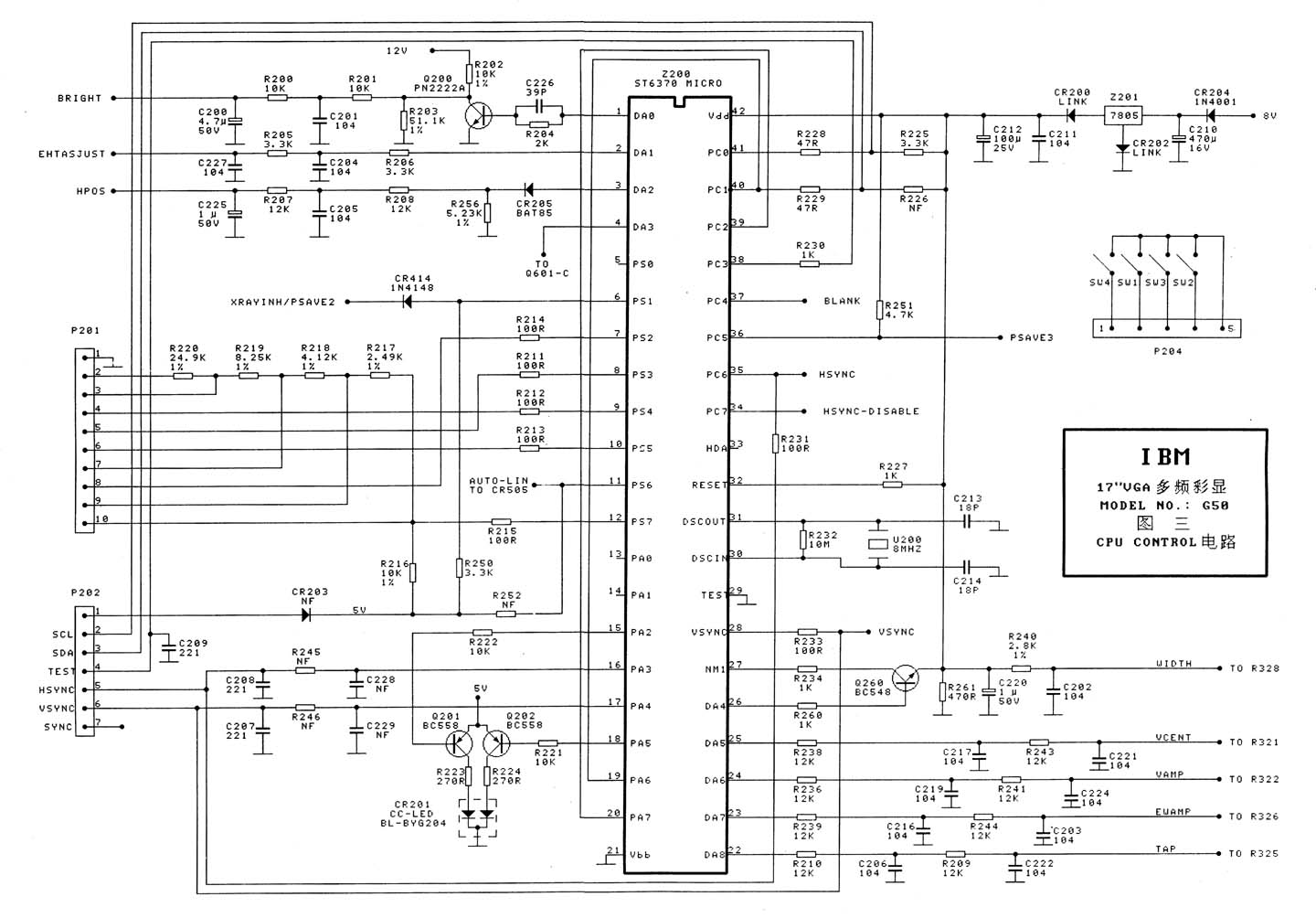
CPU CONTROL电路图

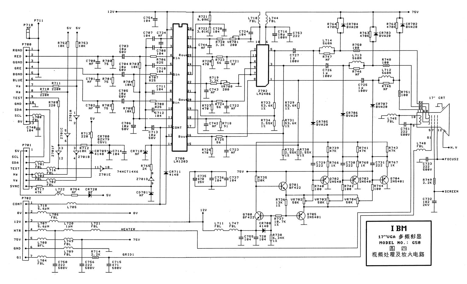
点击放大
视频处理及放大电路

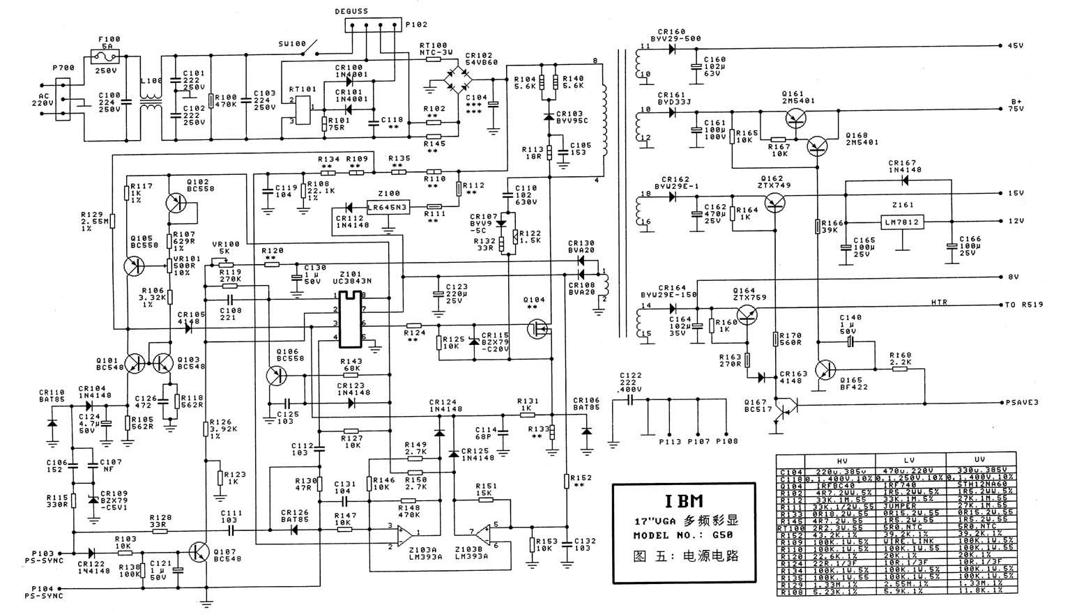
点击放大
电源电路