点击放大
ACER-7156显示器电路图-1

点击放大
ACER-7156显示器电路图-2

点击放大
ACER-7156显示器电路图-3

点击放大
ACER-7156显示器电路图-4

点击放大
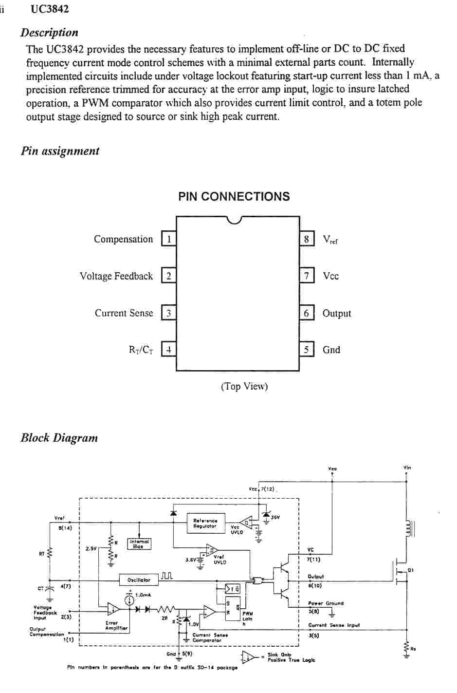
ACER-7156显示器电路图-5 UC3842

点击放大
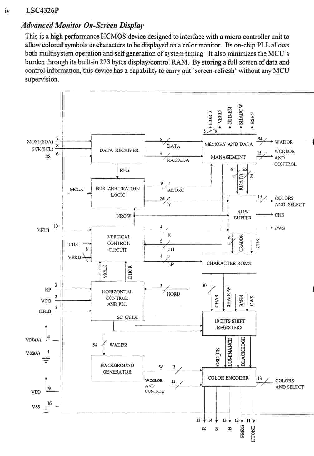
ACER-7156显示器电路图-6 LSC4326P

点击放大
ACER-7156显示器电路图-7 STV7778

点击放大
ACER-7156显示器电路图-8