您好,欢迎您访问家电维修资料网
登陆 免费注册
实用工具手机版

用手机访问

手机访问家电维修资料网
家电维修资料网
  • 首页
  • 维修资料
    • 彩电维修资料
    • 彩电总线调整
    • 维修基础
    • 电子线路
    • 电子制作
    • 空调制冷
    • 家用电器维修
    • 音响功放
    • 卫星有线
    • VCD、DVD
    • 通讯设备
    • 办公设备
    • 数码摄录
    • 计算机设备维修
    • 软件下载
    • 培训教材
  • 电路图纸
    • 长虹彩电图纸
    • 康佳彩电图纸
    • TCL彩电图纸
    • 海尔彩电图纸
    • 创维彩电图纸
    • 海信彩电图纸
    • 其他彩电图纸
    • 合资彩电图纸
    • LG彩电图纸
    • 松下彩电图纸
    • 三星彩电图纸
    • 索尼彩电图纸
    • 东芝彩电图纸
    • 夏普彩电图纸
    • 飞利浦彩电图纸
    • DVD功放图纸
    • 家用电器图纸
    • 数码相机图纸
    • 显示器图纸
    • 维修工具图纸
  • 数据下载
    • 长虹彩电数据
    • 康佳彩电数据
    • TCL彩电数据
    • 海尔彩电数据
    • 创维彩电数据
    • 海信彩电数据
    • 其他彩电数据
    • 合资彩电数据
    • 厦华彩电数据
    • DVD机顶盒数据
  • 说明书
    • 彩电说明书
    • 显示器说明书
    • 家用电器说明书
    • 遥控器说明书
    • 影音系统说明书
  • 视频
    • 彩电维修
    • 空调制冷
    • 电脑软件
    • 办公设备
    • 显示器维修
    • 电子线路
    • 维修基础
    • 电工技术
    • 通讯维修
    • DVD维修
    • 生活电器
    • 仪器仪表
    • 其他技能
    • 电子制作
  1. 首页
  2. 计算机设备维修
  3. 开关电源维修
  4. 正文

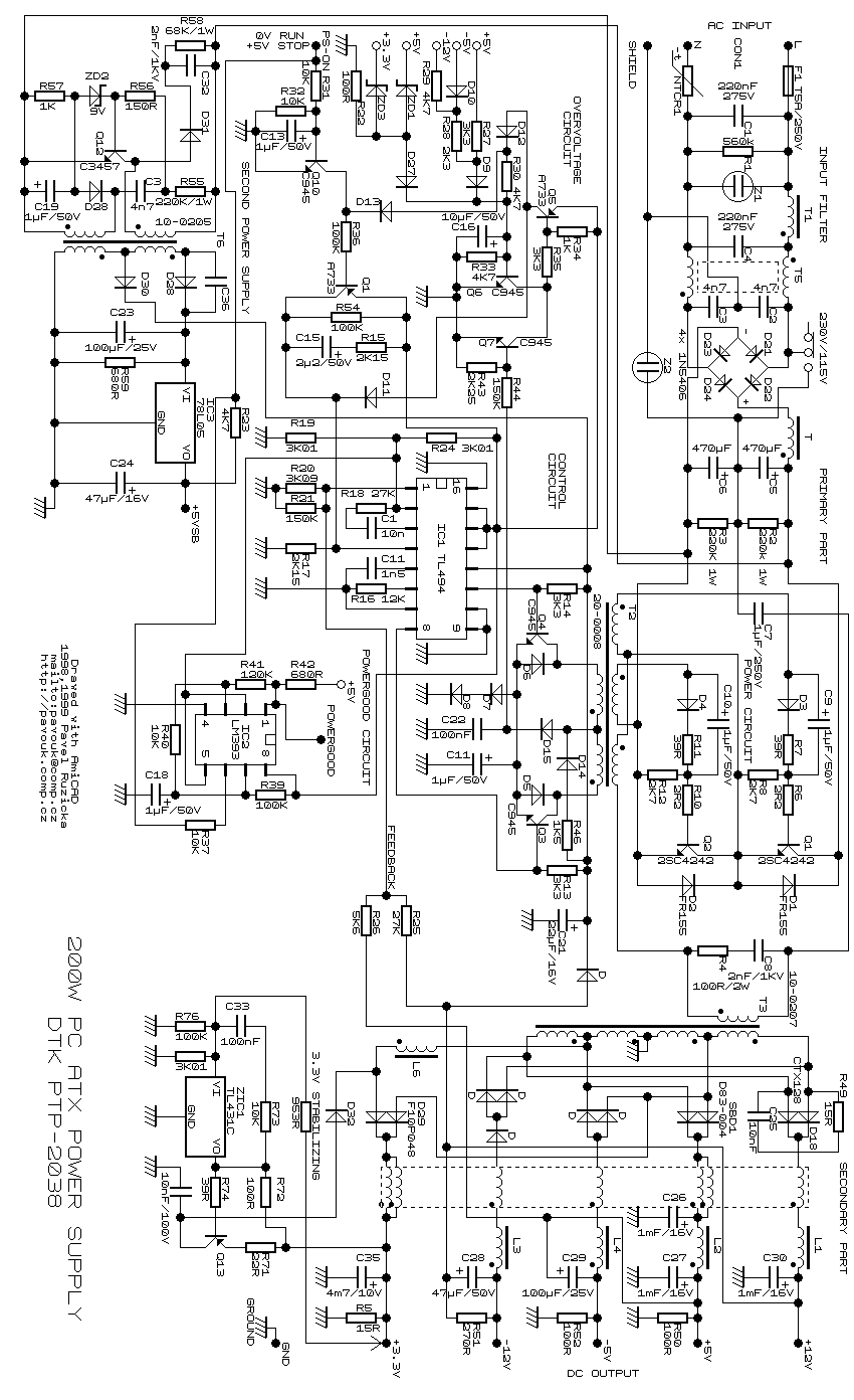
[图文]ATX电源电路图

2007-08-18作者:20456评论

其他推荐

  • 电脑电源的故障处理
  • 三特500VA UPS稳压电源故障维修四则
  • 自己动手修UPS
  • ATX电源的工作原理
  • ATX电脑电源常见故障检修
  • Santak-500VA后备式UPS常见故障的排除

网友评论

发表评论

所有评论

目前还没有网友评论

热门资料

  • 1个人经验:开关电源不通电的修复
  • 2[图文]ATX电源电路图
  • 3电脑ATX开关电源电源输出线颜色区分和含义
  • 4监控系统常用开关电源电路图与常见故障维修
  • 5微机ATX电源电路的工作原理与维修
  • 6时刻准备着_UPS电源的选择与使用
  • 7[图文]ATX微机开关电源维修教程
  • 8电脑ATX电源原理
  • 9UC3842笔记本电脑电源适配器的故障检修
关于我们 - 网站帮助 - 广告合作 - 网站声明 - 友情链接 - 网站地图
©2006-2024 www.520101.com All Rights Reserved
浙ICP备12036345号-1