• 康佳T2530D1彩电开机三无,但电源指示灯亮。

    测+B电源滤波电容C926两端有+130V电压,而末级视放电路电源滤波电容C428两端电压仍为+130V,正常值约+180V左右,说明行扫描电路没有工作。检测N301(LA7688N)行启动电源端{24}脚电压为0V,该启动电源是由开关电源的+12V电源经V920、V921、V911等元件...

       2007-05-29

  • 康佳T2530D1开机三无,电源指示灯不亮,但关机瞬间屏幕有亮点闪现

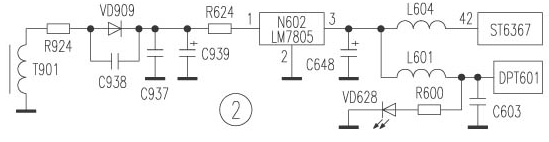
    电源指示灯的电源是由开关电源+15V电源端提供的,相关电路图见图2。检测三端稳压块N602(LM7805){1}、{3}脚电压均为0V,检测C939正极有+14V左右的电压,说明限流电阻R624(10Ω、1/2W)开路。更换R624后,故障排除。...

       2007-05-29

  • 康佳T2530D1彩电开机三无,但电源指示灯亮,关机瞬间屏幕有亮点闪

    电源指示灯亮,说明开关电源已工作;关机瞬间屏幕有亮点闪现,说明行输出电路也基本正常;无光栅应检查末级视放电路。检测视放电路电源滤波电容C428两端有+180V电压,灯丝(H1、H2)两端有4.5V左右的交流电,说明末级视放电路已工作。结合同时出现无图无...

       2007-05-29

  • 康佳T1826彩电工作约10分钟后,场上部卷边,再过一会儿亮度逐渐减

    故障时测得N401 LA7830 2脚电压上升到近电源电压24V,查外围反馈阻容元件中,钽电容C447 .47UF/35V已无容量并中度漏电,更换C447或暂时留空不用故障排除。...

       2007-05-29

  • 康佳V-38型VCD机使用不到半年便不读碟。

    检查发现光头老化,更换后正常。在试机时,发现该机在不放入碟片时,激光头三次聚焦访问后仍一直发光,并且镜头向上凸起。此现象说明聚焦线圈中始终有电流,用手触摸驱动集成块有严重发热。估计该型机控制程序有问题,在不放碟片时,不要长期开机,以免过早损坏光头和驱动...

       2007-05-29

  • 康佳T2114型彩电,有时不能开机,但电源指示灯亮;有时偶然又能启动

    电源指示灯亮,说明副电源电路是工作的。断开行管V402c极,在开关电源+B输出端接一只60W白炽灯泡作假负载,开机观察灯亮,测灯泡两端电压为110V(图纸标称112V),但喇叭中仍有“卟卟”声,机内有“叽叽”声。用调压器将市电从90V调至178V时,机...

       2007-05-29

  • 康佳T2588B型彩电开机后呈三无,电源指示灯亮(红色),按预备键后

    据此现象分析,认为副电源工作基本正常,故障主要原因一是CPU工作失常,二是主电源有故障。开机测副电源输出电压为稳定的+5V,并已加至微处理器N201(M37210M3-800SP){27}脚,在按预备键的同时测其开/关机控制端{21}脚也有0V/5V高、低压变化,说明微处理器工作正常,分析...

       2007-05-29

  • 康佳T2114彩电,开机时画面左右晃动,且有不清晰的水平细黑线干扰和

    该机转我处维修时,据说曾损坏过三只行管。经观察,行振荡电路、行AFC电路已被检修过,看来前修理者可能将该故障定为行频偏低,而走入歧途。  由于荧屏能出现正常画面,说明行频并不偏低,显然“吱吱”声应来自开关电源,经查,开机瞬间+B输出电压为130V(正常值112V),然后逐渐降至110V左右...

       2007-05-29

  • 康佳T2530D彩电在收看N制节目时无彩色,进行P/N制式切换时,屏

    该机不具有彩色制式自动识别功能,需人工进行彩色制式切换,如图4所示。CPU(ST6367)接受制式切换指令后,将控制其{19}脚直流电位在4.5V/0V间跳变,当切换在N制时,ST6367{19}脚为4.5V高电位,V641饱和导通,V642、V351...

       2007-05-29

  • 康佳T2530D图像正常,收看PAL I制伴音信号时(伴音中频6.0

    因为只有接收6.0MHz伴音的节目才有杂音出现,故可初步判断故障部位在伴音制式切换电路,如图3所示。用遥控器将伴音制式切换为SYS-2(6.0MHz)状态,屏幕显示正常,但杂音现象依旧。测CPU伴音制式控制输出端{20}脚的电压为0V(正常),在SYS-1时为3.3V,说明C...

       2007-05-29

  • 康佳T2530D型彩电伴音正常,但画面暗,调节亮度、对比度控制有作用

     因画面暗,首先检查与亮度相关的电路。测LA7688{11}、{19}、{28}、{32}脚电压,发现亮度开到最大时,{19}脚电压不足3V,而正常情况下应为4V左右。检查LA7688{19}脚外接电容C351,无漏电现象,检测CPU(ST6367)亮度控制端{3}脚的直流电...

       2007-05-29

  • 康佳T2530D型彩电开机后图像及伴音正常,但整个画面左移,屏幕右侧

    整个画面左移,说明行中心控制电路有故障。试调RP410,行中心无变化,且无字符显示,可判断字符显示电路工作不正常。我们知道,字符显示电路的正常工作条件是:1)由C606、C607、L602等组成的字符显示振荡电路工作正常;2)有行、场定位脉冲送入CPU...

       2007-05-29

  • 康佳T2163E彩电黑白图像正常,无彩色

    首先检查色度控制功能,画面显示的色度字符及色条能随遥控器的控制而同步变化。CPU色度控制脚电位也有正常变化,说明CPU控制系统正常,故障可能在色度解调电路和色副载波恢复电路。测TBl238AN的R、G、B...

       2007-05-29

  • 康佳T2163E有声有图,图像上面叠加有水平彩条,特别是大面积蓝色图

    此机CPU为87CK一38N一3D96(掩膜KONKACKPl011S1),小信号块为TBl238AN。检查TBl238AN芯片组成的彩色处理电路,测11脚电压正常,波形正常。测A...

       2007-05-29

  • 康佳T5435E5型彩电接收电视节目,彩色图像正常,但无伴音

    按音量“+”键,屏幕上能显示到“63”,此时仍无伴音。引起无伴音的原因主要有以下两方面:(1)遥控系统中与音量控制有关的电路异常;(2)伴音通道电路工作异常。CPU(ST6367){5}脚为音量控制信号输出,当CPU处在非静音、非静噪的情况时,该脚电压...

       2007-05-29

  • 康佳T5435E5型彩电不能二次开机,电源指示灯亮。

    测+B输出电压为0V,电源调整管V404 c极电压为313V,b极0V,初步判断故障在开关电源或CPU开/待机控制电路。  测N601{37}脚电压始终为0V,不随按动遥控器待机键而变化。测N601{35}脚(遥控信号输入端)在按遥控器任一键时,其电压...

       2007-05-29

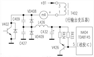
  • 康佳T2587H彩电三无,机内发出微弱的“吱吱”声。

    检查枕校电路隔离二极管VD408已击穿,更换后故障排除。...

       2007-05-29

  • 康佳T2106彩电刚开机时一切正常,半小时或一小时后光栅左右伸缩,图

    检测开关电源电路,+B由正常时的105V下降到90V左右,且波动较大。断开行输出电路,接假负载试之,电压仍在90V左右波动。判断故障在开关电源稳压电路,检测IC901(STR-S6309)及其外围元件,均未见异常。测量IC901各脚电压,发...

       2007-05-29

  • 康佳T2126彩电无光无声无图像

    该机被雷电从电源进入,检查电源全桥整流电路附近有明显放电烧焦痕迹,电路铜箔击断两处。整流全桥中有两只二极管击穿,电源开关管V404击穿,限流电阻R404(5.6Ω/2W)烧断。将断线铜箔连通并更换上述元件后,测电源输入、输出对地电阻正常。通电试机,有光...

       2007-05-29

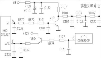
  • 康佳T5435E5型彩电跑台

      用手动搜索到图像及伴音正常时,监测高频头BT端调谐电压逐渐升高,此时图像及伴音质量变差至消失。测VD101负极电压为31.2V且稳定;测V101 c、b极电压,均有波动。监测CPU{34}脚输出的调谐控制信号(脉宽调制信号)电压,发现在其半分钟内就下降达0.1V,表明故障系CPU输出的...

       2007-05-29