电子管耳机放大器(胆耳放)的流行,是得益于高保真耳机的发展和各类音源的进步。对音质而言,已超越扬声器放音系统。 
    笔者曾自制过3台胆耳放,用过多种胆管和多种输出接法。但是令我着迷的,还是我最近制作完成用机内蓄电池供电的胆耳放。其体积异常小巧,完全摆脱了交流供电的种种不便,彻底消除了交流声。设计新颖、携带方便,适用各类场合。本机信噪比高,声音甜美、输出功率大。 


一、机箱的制作 

    机箱外形见图1。

    用3mm厚的铝型材自制,机箱两侧均匀地各打出54只φ5mm小孔即成。体积220mm×170mm×80mm。机箱的前后端盖和内框,可用较薄的铝料以减轻重量和成本。充电插座、音频输入插座和两枚晶体管装在后端盖上,电源开关、指示灯、电位器和耳机插座装在前端盖以方便操作。 


二、电路板制作 

    内部结构见上图2。

    线路板用3mm厚的环氧树脂板和空心铜铆钉制成,根据机箱内体积的大小来裁定树脂板,首先设定4只管座的位置,用合适的开孔器开出管座孔。再用φ3mm的钻头在环氧树脂板上钻出20来个小孔,铆上铆钉即成。这种线路板强度好,百焊不坏,拆装零件方便。 

 
 
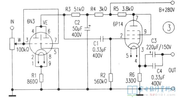
三、放大器制作 

    放大器原理见图3。图中只绘出其中一个声道的线路,另一声道完全相同。电源两声道共用。输入级用1只6N3双三极管。 

    功放级则由1只6P14担任。它是1只专门为音频设计的五极管,品质自然优秀,采用阴极输出接法,以降低输出阻抗、能驱动不同阻抗的耳机。性能优于用变压器输出的接法,高低频拓宽,保真度进一步提高。 
    在制好的电路板上,尽量利用零件的自身引线进行搭焊。凭自己的经验灵活运用。胆管尽量用同一厂家、同一时期的管于配对使用。有条件若用进口同类胆管,效果更理想。电阻用2W大红炮最好,其中R2是栅极电阻,建议用0.5W的优质电阻,该电阻体积大的话噪声也有所增大。 
    C1是耦合电容,在前后级中起着桥梁一样的作用,品质一定要优秀。C2和C3用优质国产小型电解。容量过大和过小都影响音色,别以为越大越好。 
    屏极电压的范围放得很宽,一般情况下,只要安装正确不用调整也能工作。但屏压的高低同样会改变音色,根据自己的喜好,适当改变R4和R5的阻值,只要不超出屏压极限就行。


四、电源电路的制作 

    各胆灯丝电源由机内12V直流供给,务必将每2只相同胆管的灯丝串联后才能使用。 

    屏极高压则由机内电源变换升压后供给。因此,电源制作的好坏会影响整机制作的成败。电源原理见图4。

    BG1和BG2组成振荡电路,R1和R2是晶体管的直流偏置电阻,振荡电压经升压变压器提升到220V左右,再经整流滤波后供各屏极使用。BC1和BG2是一对放大倍数大,穿透电流小的3DD15晶体管。R1和R2需用大于3W的电阻,阻值在600Ω~1k左右。指示灯用12V/75mA的灯泡,不能用发光二极管,由于灯泡的明暗可提示机内电池电压的高低,便于及时充电。电容和电解用一般产品即可。扼流圈L用6P1输出变压器的初级线圈代用。升压变压器T可用环型或EI型成品变压器,功率要大于10W,初级220V,次级12V+12V,安装前要浸漆烘干处理。BG1和BG2装在机箱后端盖上,用云母片与端盖绝缘,可在管座接触面上涂上硅脂以减少热阻,增强散热效果。 
    调整时断开与放大器的连接,用220V/20W的白炽灯泡作假负载,改变R1和R2的阻值,使灯泡最亮,并通断电源数次,若均正常即可与放大器连接。 
    机内蓄电池是用2只6V干式应急灯电池串联而成,这种电池价廉、无记忆,可随充随用。12V充电器可用成品,自制也很简单,充电电流不大于1A为宜。