采用电流模式的控制结构,提供快速的负载瞬态响应和易于补偿功能。内部的线性稳压器提供MOSFET栅极驱动,也可提供较小的外部负载电流。
一、MAX1530功能和特点:
●4.5V至28V输入电压范围
●250kHz/500kHz电流型降压转换器
●小电感/电容
●无需检测电阻
●三个正电压线性稳压控制器
●更小的输入和输出电容
●定时复位输出
●所有调节器具有软启动
●可编程的输入欠压比较器
●可编程的启动顺序
二、MAX1530引脚功能
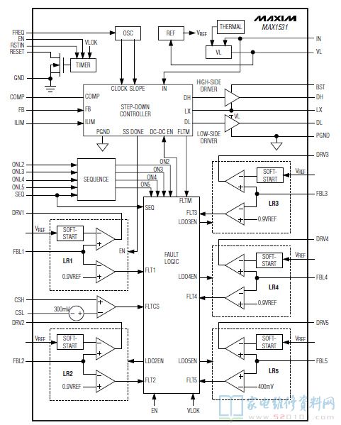
三、MAX1530内部方框图
四、MAX1530典型应用电路
网友评论