概述:MAX1531采用小型(5mm x 5mm)、超薄型(0.8mm)、32引脚QFN封装,可工作于输入高达28V的电源,工作温度范围为-40°C至+85°C。为高效、固定频率、降压型调节器。低成本、全N沟道、同步拓扑结构等特性使其工作效率高达93%。包括五个线性稳压控制器,提供逻辑和LCD偏置电源。可编程的启动顺序使调节器易于控制。具有软启动功能,限制启动期间的浪涌电流。内部降压转换器的电流限制功能和通用的过流关断功能使在出现故障时保护电源不受损坏。

      采用电流模式的控制结构,提供快速的负载瞬态响应和易于补偿功能。内部的线性稳压器提供MOSFET栅极驱动,也可提供较小的外部负载电流。

一、MAX1531功能和特点:    

●4.5V至28V输入电压范围

●250kHz/500kHz电流型降压转换器

小电感/电容

无需检测电阻

●三个正电压线性稳压控制器

附加一个正电压和一个负电压控制器

更小的输入和输出电容

●定时复位输出

●通用过流保护

●所有调节器具有软启动

●可编程的输入欠压比较器

●可编程的启动顺序


二、MAX1531引脚功能


三、MAX1531内部方框图


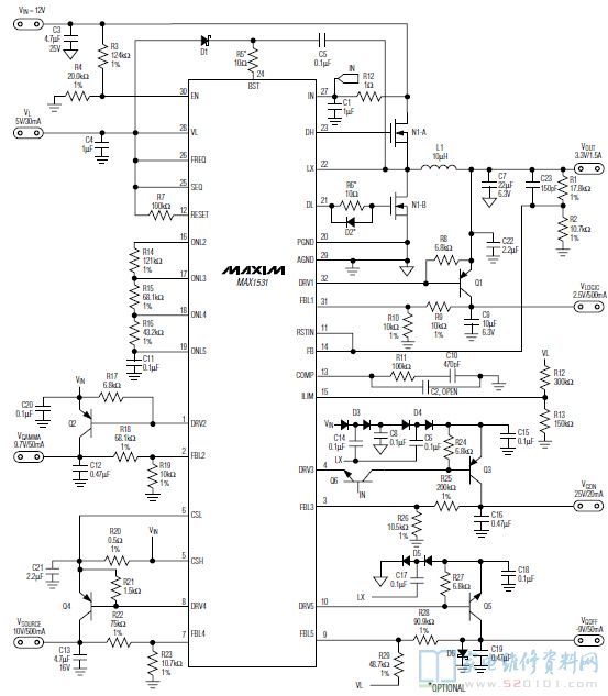
四、MAX1531典型应用电路