概述:LTC4355采用14引脚(4mmx3mm)DFN、16引脚MS和SO封装。

一、LTC4355特点:

    可替代功率肖特基二极管

    用于控制N沟道MOSFET

    0.3μs的关断时间限制峰值故障电流

    宽工作电压范围:9V至80V

     实现了无振荡的平滑切换

     无反向DC电流


二、LTC4355引脚功能


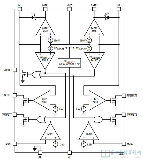
三、LTC4355内部方框图


四、LTC4355典型应用电路