概述:LTC4357采用6引脚(2mmx3mm)DFN和8引脚MSOP封装。

一、LTC4357功能和特点:
    通过采用一个N沟道MOSFET替代一个功率肖特基二极管来降低功耗

    0.5μs关断时间限制峰值故障电流

    宽工作电压范围:9V至80V

    无振荡现象的平滑切换

    无反向DC电流


二、LTC4357引脚功能


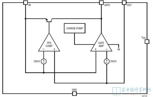
三、LTC4357内部方框图

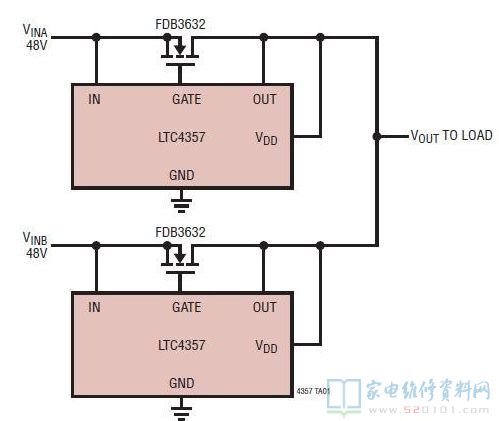
四、LTC4357典型应用电路