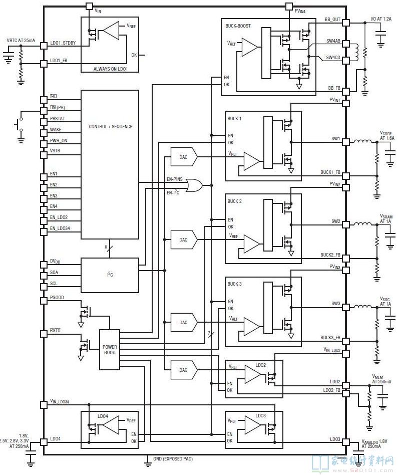
概述:LTC3589采用40引脚6mmx6mmx0.75mmQFN封装。具有 8 个独立的电源轨、以及动态控制和排序功能。这些电源轨为处理器内核、SDRAM、系统内存、PC 卡、始终接通实时时钟 (RTC) 以及多种其它功能供电。含有 3 个大电流、高效率降压型稳压器,一个大电流/高效率降压-升压型稳压器、以及 4 个低噪声、低压差线性稳压器 (LDO)。对多稳压器提供支持的是一种可配置度很高的电源排序能力、动态电压调节输出电压控制、一个按钮接口控制器、通过 I2C 接口实现的稳压器控制以及大量的状态报告和一个中断输出。
3 个恒定频率电流模式降压型开关稳压器在内部进行补偿,可提供高达 1A、1A 和 1.6A 的输出电流,并具有完整的 I2C 控制功能,包括可选择的开关频率 (2.25MHz 或 1.125MHz) 和定相。该器件的上电默认频率为 2.25MHz,并拥有旨在降低 EMI 的开关边缘速率调节功能。每个降压型稳压器都有一个动态控制和基于 DAC 的输入基准和一个用来设定标称输出电压范围的外部反馈引脚。3 种工作模式可以用 I2C 接口设定:脉冲跳跃 (支持 100% 占空比)、突发模式 (Burst Mode®) 工作 (有利于在低输出负载时实现最佳效率)、或强制连续 (最大限度地降低轻负载时的输出电压纹波,并优化电压输出设定点之间的动态转换控制)。

LTC3589 的单电感器、同步降压-升压型转换器产生一个 2.5V 至 5V 的用户可编程输出电压轨。该降压-升压型转换器运用了一种专有的开关操作算法,可在输入电压高于、低于或等于已调输出电源轨的情况下保持高效和低噪声运作。降压-升压误差放大器采用一个固定的 0.8V 基准,而输出电压由一个外部电阻分压器设置。突发模式工作的启动是通过 I2C 控制寄存器来实现的。无需外部补偿组件。

还有 4 个面向低噪声模拟电源的 LDO,在固定、可调和 I2C 可选电压选项的不同组合情况下,提供 3 个 250mA 电源轨。另一个 LDO 是一个具电阻器可编程输出电压和始终保持接通的 25mA 电源。

通用 I2C 串行端口用来控制稳压器使能、输出电压值、动态电压调节和转换率、工作模式和状态报告。稳压器启动的排序操作通过按期望的次序将稳压器输出连接至使能引脚或通过 I2C 端口来完成。系统上电、断电和复位功能受控于按钮接口、引脚输入或I2C 接口。

一、LTC3589功能和特点:

      三路、I2C可调型、高效率、降压型DC/DC转换器:1.6A、1A/1.2A、1A/1.2A

      高效率、1.2A降压-升压型DC/DC转换器

       三路、250mALDO稳压器

      具有系统复位功能的按钮ON/OFF控制

       灵活的引脚搭接排序操作

      I2C和独立的使能控制引脚电源良好和复位输出

       动态电压调节和转换速率控制

      可选择的2.25MHz或1.12MHz开关频率

      始终保持运行的25mALDO稳压器

      8μA待机电流


二、LTC3589引脚功能


三、LTC3589内部方框图


四、LTC3589典型应用电路